连接模型
在这个例子中,我们将学习如何在Engee中对LTI系统的连接进行建模。 从简单的串行和并行连接到复杂的流程图。
检讨
Engee提供了许多功能来帮助您创建LTI模型联合。 这些包括功能:
*串行和并行连接(series, parallel)
*与反馈的连接(feedback, feedback2dof)
*输入和输出串联([ , ], [ ; ], append, array2mimo)
*流程图的一般构造(connect)
为了说明这些示例,我们将连接必要的库并创建两个具有以下传递函数的系统:
Pkg.add(["RobustAndOptimalControl", "ControlSystems"])
using ControlSystems
H1 = tf(2,[1, 3, 0])
H2 = zpk([],[-5],5)
串行连接
使用运算符 * 或函数 series 对于lti模型的串行连接,例如:
H = H2 * H1
H = series(H1,H2)
并联连接
使用运算符 + 或函数 parallel 对于lti模型的并行连接,例如:
H = H1 + H2
H = parallel(H1,H2)
与反馈的联系
负反馈回路系统结构方案的标准视图:
要识别一个封闭的系统,请使用函数 feedback.
H = feedback(H1,H2)
请注意,默认情况下反馈是负面的。 要给出积极的反馈,请使用以下语法:
H = feedback(H1, H2, pos_feedback = true)
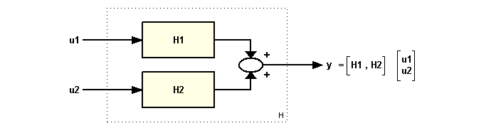
组合输入和输出
您可以通过输入组合两个模型h1和H2的输入数据:
H = [H1 H2]
生成的模型有两个输入和一个输出,对应于以下方案:
同样,您可以通过输入来组合H1和H2的输出:
H = [ H1 ; H2 ]
生成的模型H具有两个输出和一个输入,对应于以下流程图:
最后,您可以使用以下方法组合两个模型的输入和输出:
H = append(H1,H2)
生成的模型H具有两个输入和两个输出,并遵循框图:
.png)
您可以使用串联从基本SISO模型构建MIMO模型,例如:
[H1 -tf(10,[1, 10]); 0 H2]
您也可以使用该功能 array2mimo. 例如,
P = ss(-1,1,1,0);
sys_array = fill(P, 2, 2) # 创建一系列系统
mimo_sys = array2mimo(sys_array)
基于流程图构建模型
您可以使用函数和操作的组合来构建简单流程图的模型。 例如,请考虑以下流程图:
与块F,C,G,S的以下数据:
s = tf('s');
F = 1/(s + 1);
G = 100/(s^2 + 5*s + 100);
C = 20*(s^2 + s + 60)/s/(s^2 + 40*s + 400);
S = 10/(s + 10);
您可以定义封闭系统从r到y的传递函数,如下所示:
T = F * feedback(G*C,S)
plot(step(T,10))
但是对于更复杂的流程图,使用函数 connect 图书馆 RobustAndOptimalControl.jl. 要使用 connect,请按照以下步骤操作:
*识别图中的所有块,包括求和块;
*命名块的所有输入和输出通道;
*将系统块的输出与块的相应输入相匹配。
让我们看看使用下面的框图的例子使用函数的例子。
.png)
导入和连接库 RobustAndOptimalControl.jl.
import Pkg
Pkg.add("RobustAndOptimalControl")
using RobustAndOptimalControl
使用功能 named_ss,以便为每个块设置输入和输出信号的名称。
F1 = named_ss(F, x=:xF, u=:r, y=:u_f)
G1 = named_ss(G, x=:xG, u=:u, y=:y_m)
C1 = named_ss(C, x=:xC, u=:e, y=:u_c)
S1 = named_ss(S, x=:xS, u=:y_m, y=:y)
使用函数表示加法器 sumblock.
Sum1 = sumblock("e = r - y")
Sum2 = sumblock("u = u_f + u_c")
仔细标记连接非常重要。 连接是根据一个块的输出连接到另一个块的输入的原则形成的。 例如,信号 е 是输出 Sum1,但它也是块的输入 C.
connections = [
:e => :e # output e Sum1 to input C
:y => :y # output y S to input Sum1
:u => :u # output u Sum2 to input G
:u_f => :u_f # output u_f F to input Sum2
:u_c => :u_c # output u_c C to input Sum2
:y_m => :y_m # output G to input S
]
识别输入信号也很重要 w1 休息一天 z1.
w1 = [:r]
z1 = [:y_m]
所有计算的数据提交到输入 connect. 您可以在Julia文档中了解有关所有函数参数的更多信息统一систем.
P = connect([F1, C1, G1, S1, Sum1, Sum2], connections; w1,z1,unique = false)
让我们构建由此产生的封闭系统的过渡过程。
plot(stepinfo(step(P,5)))
结论
在本文中,我们研究了连接模型的方法。 您可以在[建筑系统]部分了解有关转换结构图的功能的更多信息(https://engee.com/helpcenter/stable/julia/ControlSystems/lib/constructors.html )。