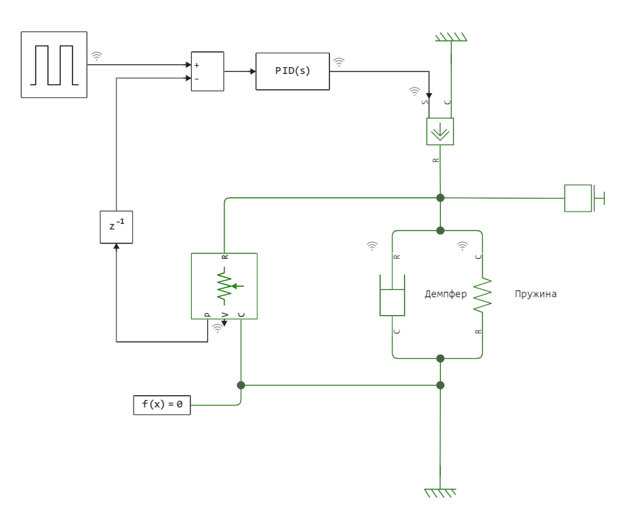
带调节器的弹簧加载缓冲系统
我们将构建一个系统,其中力从由调节器控制的力源作用于质量,并且弹簧和阻尼器连接到该系统,这创建了系统的复杂运动模式。
模型特征
向系统的输入施加周期为5秒的脉冲信号,之后有一个PID控制器向系统传送控制信号。
质量块的初始速度为10m/s。
控制器控制源,该源根据传感器以与控制信号和质量块位置之间的差成比例的力作用在质量块上。
启动模型并分析结果
In [ ]:
model_name = "mass-spring-damper-with-controller";
model_name in [m.name for m in engee.get_all_models()] ? engee.open(model_name) : engee.load( "$(@__DIR__)/$(model_name).engee");
res = engee.run( model_name );
In [ ]:
Fпружина = collect( res["Пружина.F"] );
Fдемпфер = collect( res["Демпфер.F"] );
ctrl = collect( res["PID Controller.1"] );
Fисточник = collect( res["Force Source.F"] );
Pмасса = collect( res["Relative Translational Motion Sensor.2"] );
In [ ]:
gr()
plot(
plot( Pмасса.time, Pмасса.value, label="Положение" ),
( plot( Fисточник.time, Fисточник.value, label="Источник" );
plot!( Fпружина.time, Fпружина.value, label = "Пружниа" );
plot!( Fдемпфер.time, Fдемпфер.value, label="Демпфер" ) ),
layout=(2,1), lw=3
)
Out[0]:
结论
该PID控制器的参数可以手动或在自动化过程中进行调整。 您也可以更改机械部分的参数,但准则保持不变:减少系统响应和控制信号之间的差异。
