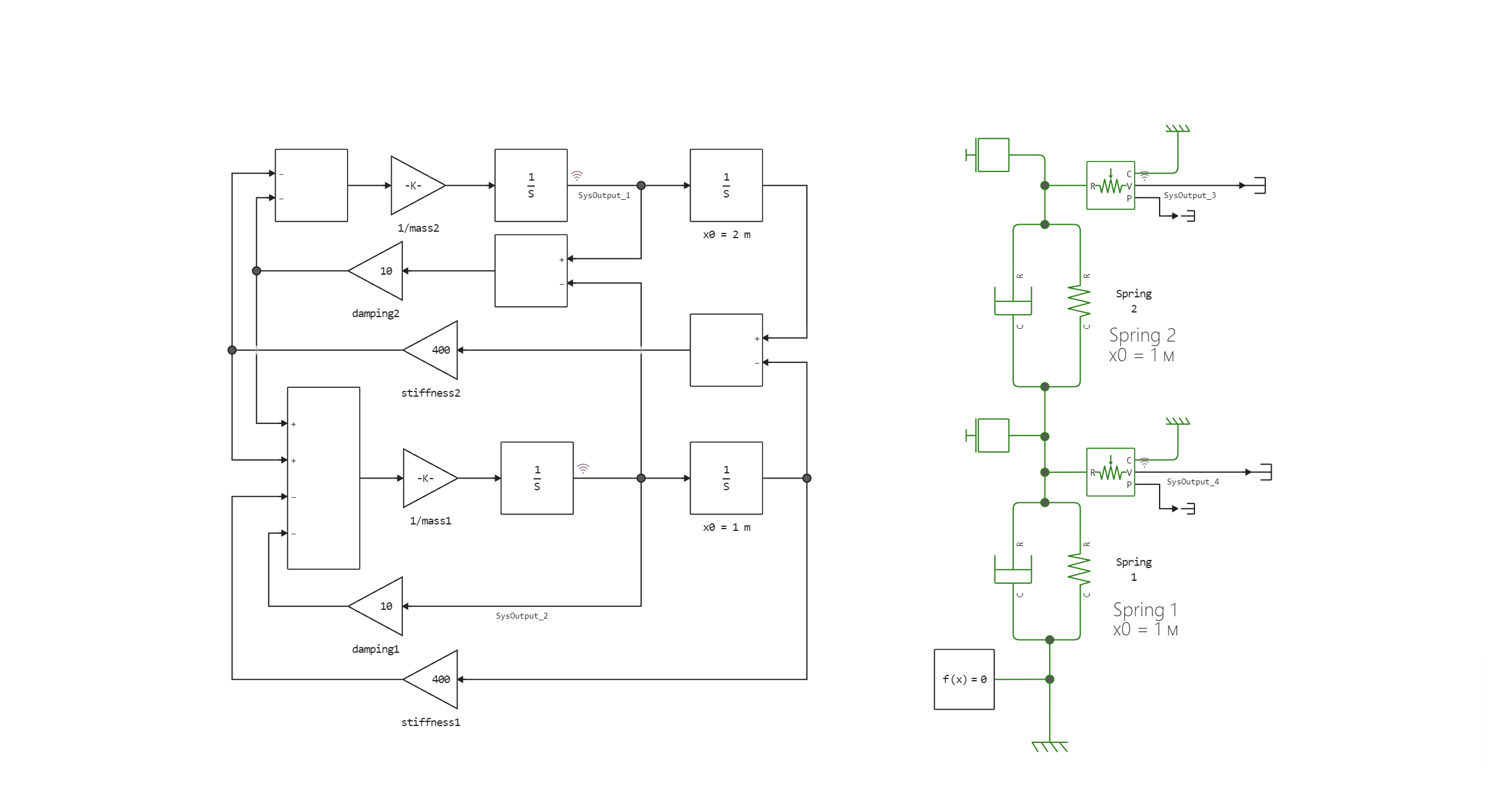
双质量振荡系统的建模
此示例显示了两个系统模型:一个使用基本块库,另一个使用物理模型。
基本库的块使用定向连接来确定数据如何从一个块传输到另一个块。 物理块使用非定向连接,定义组件之间的质量或能量双向流动。 这样的块允许您简单地通过复制和粘贴向系统添加额外的弹性阻尼元件集。 方向模型需要修正方程并重新实现。
每个弹簧的初始偏转为1米。 这反映在Spring1和Spring2的块注释中。 积分块的名称显示质量相对于空间中的一个固定点的初始位置。
模型图:
模拟结果:
使用由基本块组成的模型获得的质量速度:
.png)
使用由物理建模库块组成的模型获得的质量速度:
。png)