反相模式下的运算放大器
使用该模型的示例,您可以研究运算放大器在反相模式下的操作。
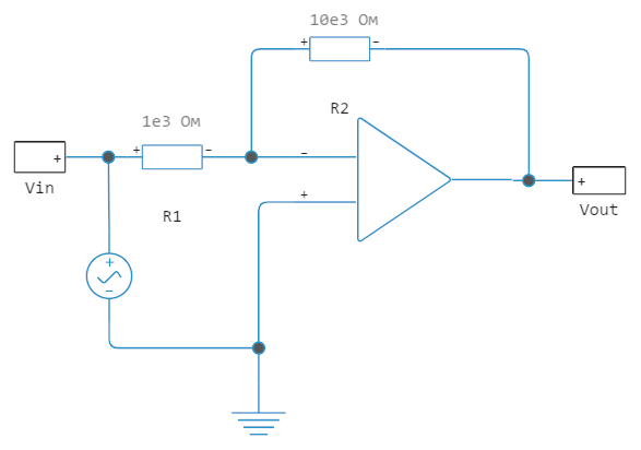
模型描述
该模型由一个块组成 OperationalAmplifier 和两个阻力 R1 和 R2,其值分别设为1kOhm和10kOhm。 它的增益因子是-R2/R1,因此振幅为0.1v的输入电压在输出端被放大到1v。由于我们使用了一个理想的模型,放大器输出端的负载不会影响它的工作。
让我们运行模型并构建一个图表。:
In [ ]:
model_name = "op-amp-circuit-inverting-amplifier";
model_name in [m.name for m in engee.get_all_models()] ? engee.open(model_name) : engee.load( "$(@__DIR__)/$(model_name).engee");
res = engee.run( model_name );
In [ ]:
Vin = collect( res["Vin"] );
Vout = collect( res["Vout"] );
In [ ]:
plot( Vin.time, Vin.value )
plot!( Vout.time, Vout.value )
Out[0]:
结论
我们已经实现了一个相当方便的环境,用于研究基于运算放大器的电路的操作。
.png)