一种动力转向机构的模型
让我们研究一下液压助力转向系统的简化版本的模型。
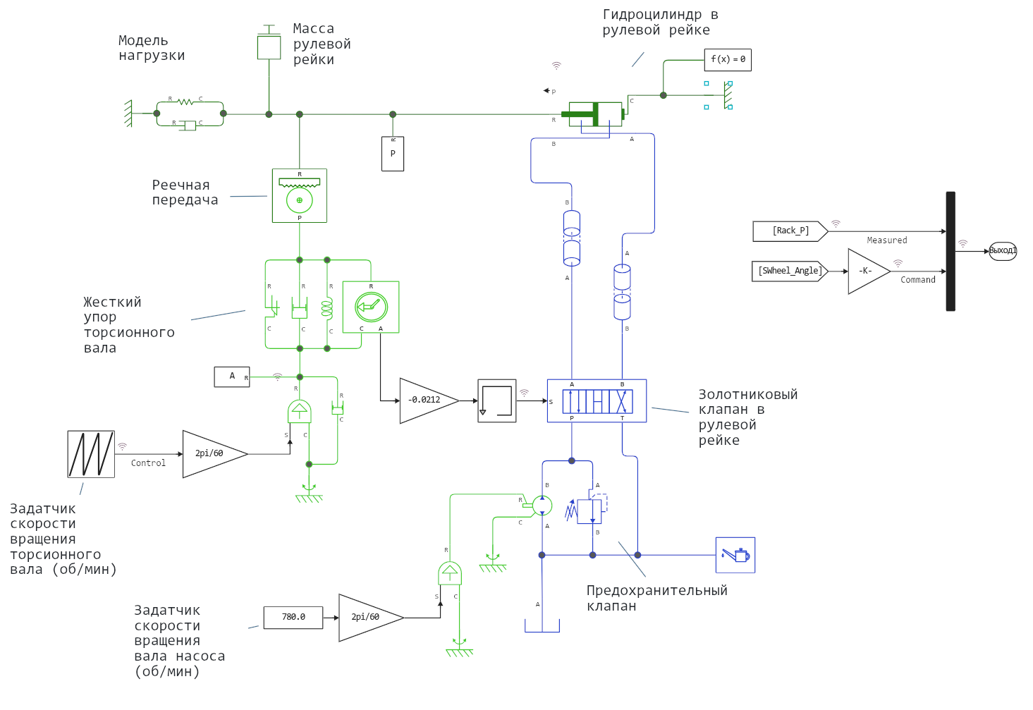
正在研究的系统
动力转向系统将驾驶员的力转换为液压,使车轮更容易转动。 它用于汽车的舒适性和减少司机的负荷. 除了方向盘减少了转动方向盘时的体力外,该系统还提高了控制的准确性和平滑性。 创建这样一个系统的模型将允许优化其参数(扭杆刚度,泵性能),研究故障(例如,压力损失)或测试新的解决方案(例如,电液系统)。
模型描述
该系统包括:
-双面液压缸
-四通控制阀
-恒压泵
-安全阀
转向齿条作用于由弹簧和阻尼器模拟的负载。
转动方向盘引起安装在方向盘和齿轮齿条机构之间的扭杆的扭转。 杆的变形被转换成表示四通阀阀杆位移的值,四通阀阀杆根据旋转方向将液压缸的腔体连接到压力或排水管。 在系统的旋转-机械和液压部分之间是"乘以常数"(增益)块,它将扭杆的角度转换为阀门打开的程度。 如果该单元的增益设置为0,则动力转向关闭。
如果扭杆的变形超过9度,则方向盘通过平行于杆安装的机械止动件刚性地连接到齿轮上。 液压缸移动转向齿条,这导致扭杆反转,直到阀门返回到中立位置。
运行计算并分析结果
让我们使用command control运行模型以获取报表的图形。:
model_name = "power_assisted_steering_mechanism";
model_name in [m.name for m in engee.get_all_models()] ? engee.open(model_name) : engee.load( "$(@__DIR__)/$(model_name).engee");
res = engee.run( model_name ); # Расчет модели
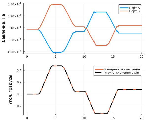
在正常操作中,如果在转向角与比例系数之间存在反馈 -0.0212,我们得到如下图:
gr()
plot( res["Command"].time, rad2deg.([res["Measured"].value res["Command"].value]),
label = ["Измеренное смещение" "Угол отклонения руля"],
ylabel="Угол, градусы",
lw=3, c=[2 :black], ls=[:solid :dash], size=(600,300) )
gr()
torque_with_as = res["Rack & Pinion.T_pinion"]; # Сохраним значнеие момента на валу руля
plot(
plot( res["Double-Acting Actuator (IL).port_a.p"].time,
[res["Double-Acting Actuator (IL).port_a.p"].value res["Double-Acting Actuator (IL).port_b.p"].value],
label=["Порт А" "Порт Б"], ylabel="Давление, Па",
lw=3),
plot( res["Command"].time, rad2deg.([res["Measured"].value res["Command"].value]),
label = ["Измеренное смещение" "Угол отклонения руля"],
ylabel="Угол, градусы",
lw=3, c=[2 :black], ls=[:solid :dash] ),
size=(600,500), layout=(2,1)
)
我们可以看到液压缸内每个容积的压力是如何变化的。
在动力转向关闭的情况下操作
为了研究动力转向关闭的操作,我们将断开转向角传感器和阀杆之间的连接,现在使用比例系数进行。 -0.0212. 也就是说,将方向盘转动90度将使杆在一个方向或另一个方向上移动3.33毫米。
我们将使用命令控制重置此连接。
engee.set_param!( "power_assisted_steering_mechanism/Коэффициент усиления-1", "Gain" => 0 )
让我们实现之前打开的模型。
res = engee.run( model_name ); # Расчет модели
这些图表还比较了动力转向打开和关闭时的转向力。 当动力转向关闭时,驾驶员需要在没有动力转向的情况下施加明显更多的努力,以便观察转向齿条的设定旋转角度。
plot(
plot(res["Rack & Pinion.T_pinion"].time,
[torque_with_as.value res["Rack & Pinion.T_pinion"].value],
ylabel="Крутящий момент, Н/м",
label=["С гидроусилителем" "Без гидроусилителя"]),
plot(res["Command"].time, rad2deg.([res["Measured"].value res["Command"].value]),
label = ["Измеренное смещение" "Угол отклонения руля"],
ylabel="Угол, градусы", c=[2 :black], ls=[:solid :dash]),
size=(600,500), layout=(2,1), lw=3
)
在下图中,我们还注意到车轮的位移要慢得多,并且没有跟上命令,也许这是因为液压泵仍然打开,活塞强烈阻尼转向齿条的位移。
我们将再次打开反馈,以免干扰进一步的实验。
engee.set_param!( "power_assisted_steering_mechanism/Коэффициент усиления-1",
"Gain" => -0.0212 )
在这个模型上还有什么可以探索的?
该模型将允许我们调试数字转向控制系统的模型,以及探索动力转向系统中发生的复杂影响。:
- 研究扭杆刚度对转向灵敏度的影响
为此,将扭力杆添加到具有可调刚度的模拟元件(例如,通过具有可变系数的弹簧)。 这一修改将使我们能够展示刚度的变化如何影响转向灵敏度(动力转向激活前的转向角度)和系统稳定性(杆太软时振动的可能性)。
- 动态阻尼模拟,消除转向波动
为此,在转向架系统(例如,由速度传感器控制的电动减震器)中添加一个主动阻尼器到模型中。 这将使我们能够展示阻尼器如何在急转弯时抑制转向机构的振动或将系统响应与被动(弹簧+阻尼器)和主动阻尼进行比较。
- 模拟不同的泵运行模式(恒定流量与可变流量)
用可调节的泵(例如,比例控制)替换固定泵将允许您计算系统在不同速度下的能耗(在低速时需要更多的努力,在高速时更少),以及将系统的效率与恒定和变
- 机构中的反冲和间隙对转向精度的影响
在模型中添加缺陷(例如,齿轮系中的死行程或关节中的间隙)将允许您显示间隙如何导致车轮反应延迟或在旋转方向突然变化时可视化冲击载荷。
结论
所实现的模型使得能够演示在动力转向系统中发生的各种有趣的效果,以及开始开发数字转向控制系统。


