AnyMath 文档
Notebook

同步发电机晶闸管自励磁系统仿真

在本例中,考虑了同步涡轮发电机TGV-300-2u3的模型,其励磁绕组由受控晶闸管整流器供电。 整流器通过变压器连接到发电机的端子。 这种布置对应于同步发电机(CTC)的晶闸管自励磁系统,与相关的励磁系统相关。

理论方面

在[以前примере](https://engee.com/community/ru/catalogs/projects/besshchetochnaia-sistema-vozbuzhdeniia-sinkhronnogo-generatora在一篇关于无刷励磁系统的论文中,简要地考虑了为同步发电机的励磁绕组供电的作用。

在这个例子中,考虑了具有300MW的较高容量的涡轮发电机。 旋转转子绕组由晶闸管整流器通过接触环和电刷供电。 整流器将从发电机端子获取的交流电压转换为为转子供电所需的直流电压。 使用晶闸管可以控制整流电压的量,这意味着您可以调节转子的励磁电流。

转子绕组的工作电压明显低于发电机端子处的电压。 一个整流变压器用于调整电压水平。 为了升压励磁,变压器通常被设计成使其次级绕组的电压超过转子的额定电压。

在电力系统中发生短路的情况下,特别是那些电接近短路部位的情况下,存在电压的显着降低。 为了确保发电机的稳定运行,需要在这种时候尽可能地增加机器终端的电压。 这是通过强制励磁来实现的,此时转子电流短暂超过标称值(大约2倍)[1]。

模型中晶闸管励磁系统的结构

CTC中的激励升压可以通过多种方式实现:

*使用一组单独的晶闸管;

*使用同一组晶闸管,但由电压增加的变压器绕组供电;

*在正常模式下从拆焊变压器操作并在升压期间切换到全电压时。

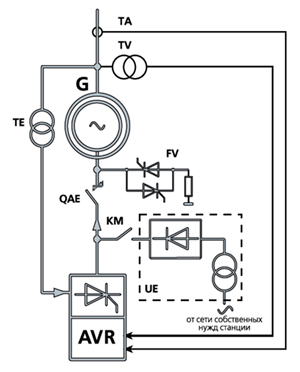
chema_ctc.jpg

在该模型中,整流变压器(TE)设计为三绕组:

*绕组2可操作;

*绕组3-升压。

由于在示例中未对励磁升压模式建模,因此不使用升压绕组。

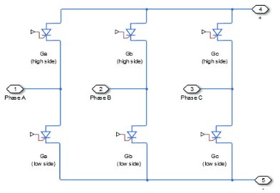
晶闸管整流器是在转换器(三相)单元工作**在*AC/DC转换模式**的基础上实现的。 选择晶闸管作为功率开关。 在将变流器连接到转子绕组时,必须考虑晶闸管的位置。 在晶闸管上执行的方案转换器(三相)*如下所示:

thyrystor_equivalent_circuit.png

系统的初始频率设置为50Hz,因此发电机(G)在仿真开始时已经在运行。
如果需要模拟带有STS的发电机的启动,则需要从外部源(UE)向转子绕组短暂供电。 在这种情况下,场电路单元应包括在激励电路中。

Снимок экрана 2026-02-04 174832.png

此模型中未实现自动场衰减(QAE)和火花间隙(FV)。

ARV-SD*(高增益AVR)单元用作自动激励调节器(AVR)。*ARV-SD是STS最典型的[2]。

模型描述

同步发电机的参数按照[3]接受。 缺失的参数已使用我们的[最近]中描述的方法恢复материале](https://engee.com/community/ru/catalogs/projects/metodika-parametrizatsii-sinkhronnykh-mashin)。励磁系统的标称电压值也取自[3]。

根据仿真场景,该模型与无刷励磁系统的示例接近。 在模拟过程中,负载施加到发电机。 涡轮速度控制器将频率恢复到标称值,ARV在瞬态过程中提供电压调节。

在施加负载后,发电机端子的电压没有完全设定在设定的水平。 这是由于ARV-SD调节器中缺少一个组成部分。

积分组件确保消除稳态调节误差,并校正稳态模式下的电压偏差。 在ARV-M调节器中没有这样的缺点,因为在其结构中有一个整体链接。

在计算的初始步骤中,当搜索稳态初始条件时,观察到电气量的排放。 为了提高计算的稳定性,ARV输入信号受到值限制块的限制。 ARV输出以相对单位形成为励磁电压,进一步转换为晶闸管的开启角 (阿尔法)。

晶闸管控制脉冲的产生在六脉冲发生器子系统中实现。

当施加电流电压角 由于变压器绕组的连接方案,有必要考虑到可能的相移。 以下规则可用作指南:

在线电压跳变的瞬间形成打开晶闸管A+(Ga低侧)的脉冲 零后,从正值变为负值,相当于一个相 .

文学资料来源一览表

[1]Korotkov V.F.电力系统中的自动调节:大学教科书/V.F.Korotkov。 莫斯科:梅出版社,2013年。 416页:生病了。

[2]Weinstein R.A.电力系统在正常和紧急模式下的自动控制:一本教科书。 第1部分/R.A.Weinstein,V.V.Shestakova,I.M.Katz;托木斯克理工大学。 托木斯克:托木斯克理工大学出版社,2013年。 111页。

[3]Neklepaev B.N.,Kryuchkov I.P.车站和变电站的电气部分:课程和文凭设计的参考资料。 莫斯科:Energoatomizdat,1989。

[4]Weinstein R.A.,Ponamarev E.A.,Naumov V.A.&Razumov R.V.(2022)。 电力系统应急自动化基础. 托木斯克:RIC SRZAU出版社。

结论

在给出的例子中,模拟了同步发电机TGV-300-2u3的晶闸管自励磁系统。 发电机的励磁绕组由受控晶闸管整流器供电,为此模型以电源键开启脉冲的产生实现控制逻辑。

这种详细程度使得可以更详细地研究激励系统的动力学及其在瞬态模式下的单个元件的行为。 对于模型的深入工作,您可以独立:

*添加逻辑以促进唤醒;

*在电力系统上模拟发电机的操作,并随后发生短路;

*实施我们自己的晶闸管整流器模型,以便对开关过程进行详细分析。