AnyMath 文档
Notebook

研究心肌颤动的模型

在这个项目中,我们重现了文章[1]中开发的模型。 该模型使我们能够研究将外部电信号应用于心率的各种驱动因素-激发心脏收缩的中心的影响。

变化幅度、频率和使用持续时间的交流电形式的外部信号可引起可逆和不可逆的信号传导阻滞、心房颤动和心室颤动。

该模型可以成为创建用于教育目的和调试接口系统的硬件电子模拟器的基础。

模型描述

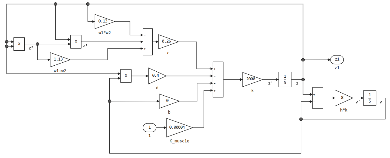
除了外部信号源,电路中还有两种类型的子系统:节奏驱动器和去极化和再极化过程的模型。

image.png

三个起搏器(窦房,房室结和Gis束)中的每一个的模型都是修改的范德波尔振荡器。:

哪里 指示与三个节奏导向器(SA,AV和HP)中的每一个相关的参数,以及 表示每个驱动程序对系统的影响系数(, 在模型中,该系统发生在具有不同参数的三个块中,但具有相同的结构。

image.png

使用Fitzhugh—Nagumo模型方程对去极化和复极化过程进行建模。:

索引在哪里 指示与心电图的不同成分(P,T,Ta波和QRS复合物)相关的参数。

image.png

根据读者感兴趣的模型改进方向,可以将相同类型的子系统打包在掩码块中,并且仅更改其参数,或者以文本形式呈现。 但是所提出的模型足够简单,可以根据插图进行重现,并且还允许您以最少的努力生成代码。

启动模型

让我们运行该模型并研究在施加角频率为300rad/s的信号时心脏系统的ECG,持续时间为1.5秒,从t=5c开始。

In [ ]:
engee.open("$(@__DIR__)/ecg_external.engee")
data = engee.run("ecg_external")
Out[0]:
SimulationResult(
    "ECG" => WorkspaceArray{Float64}("ecg_external/ECG")
,
    "Pacemakers" => WorkspaceArray{Vector{Float64}}("ecg_external/Pacemakers")

)
In [ ]:
ECG = collect(data["ECG"] )
Pacemakers = collect(data["Pacemakers"])

plot(
    plot( Pacemakers.time, hcat(Pacemakers.value...)', label=["SA" "AV" "HP"] ),
    plot( ECG.time, ECG.value, label=false, c=:black ),
    layout=(2,1)
)
Out[0]:

根据该模型,将这样的交流电应用于三个心率驱动器同时产生可逆紊乱。

结论

所提出的模型,尽管其简化的性质,允许我们研究外部信号对心率的影响。

最好通过研究原始文章[1]开始所有进一步的工作。

参考书目

[1]Ryzhii M.,Ryzhii E.Simulink心脏模型,用于模拟外部信号的影响//2016IEEE生物信息学和计算生物学计算智能会议(CIBCB)。 -IEEE,2016。 -第1-5页。