Документация Engee
Notebook

Моделирование тиристорной системы самовозбуждения синхронного генератора

В данном примере рассматривается модель синхронного турбогенератора ТГВ-300-2У3, обмотка возбуждения которого питается от управляемого тиристорного выпрямителя. Выпрямитель подключён через трансформатор к выводам генератора. Такая компоновка соответствует тиристорной системе самовозбуждения синхронного генератора (СТС), относящейся к зависимым системам возбуждения.

Теоретические аспекты

В предыдущем примере, посвящённом бесщёточной системе возбуждения, была кратко рассмотрена роль питания обмотки возбуждения синхронного генератора.

В данном примере рассматривается турбогенератор большей мощности — 300 МВт. Питание вращающейся обмотки ротора осуществляется от тиристорного выпрямителя через контактные кольца и щётки. Выпрямитель преобразует переменное напряжение, снимаемое с выводов генератора, в постоянное напряжение, необходимое для питания ротора. Использование тиристоров позволяет управлять величиной выпрямленного напряжения, а значит — регулировать ток возбуждения ротора.

Рабочее напряжение обмотки ротора значительно ниже напряжения на выводах генератора. Для согласования уровней напряжения используется выпрямительный трансформатор. С целью обеспечения форсировки возбуждения трансформатор обычно проектируется так, чтобы напряжение его вторичной обмотки превышало номинальное напряжение ротора.

При коротких замыканиях в энергосистеме, особенно электрически близких к месту КЗ, наблюдается существенное снижение напряжения. Для обеспечения устойчивой работы генераторов требуется в такие моменты максимально возможное повышение напряжения на выводах машины. Это достигается за счёт форсировки возбуждения, при которой ток ротора кратковременно превышает номинальное значение (приблизительно в 2 раза) [1].

Структура тиристорной системы возбуждения в модели

Форсировка возбуждения в СТС может реализовываться несколькими способами:

  • с использованием отдельной группы тиристоров;

  • с использованием той же группы тиристоров, но с питанием от обмотки трансформатора с повышенным напряжением;

  • при работе от отпайки трансформатора в нормальном режиме и переходе на полное напряжение при форсировке.

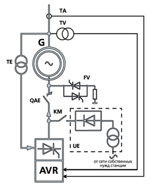
chema_ctc.jpg

В данной модели выпрямительный трансформатор (TE) выполнен как трёхобмоточный:

  • обмотка 2 — рабочая;

  • обмотка 3 — форсировочная.

Так как режим форсировки возбуждения в примере не моделируется, форсировочная обмотка не используется.

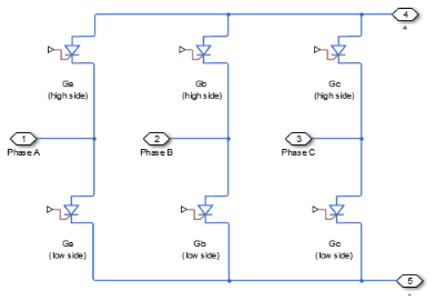
Тиристорный выпрямитель реализован на основе блока Converter (Three-Phase), работающего в режиме AC/DC-преобразования. В качестве силовых ключей выбраны тиристоры. Расположение тиристоров нужно учитывать при подключение преобразователя к обмотке ротора. Схема Converter (Three-Phase) выполненном на тиристорах выглядит следующим образом:

thyrystor_equivalent_circuit.png

Начальная частота системы задана равной 50 Гц, поэтому генератор (G) в момент начала моделирования уже запущен.
Если требуется моделирование пуска генератора с СТС, необходимо кратковременно подать питание на обмотку ротора от внешнего источника (UE). В этом случае в цепь возбуждения следует включить блок Field Circuit.

Снимок экрана 2026-02-04 174832.png

Автомат гашения поля (QAE) и разрядник (FV) в данной модели не реализованы.

В качестве автоматического регулятора возбуждения (AVR) используется блок АРВ-СД (High-Gain AVR). АРВ-СД наиболее типична для СТС [2].

Описание модели

Параметры синхронного генератора приняты в соответствии с [3]. Недостающие параметры восстановлены с учётом методики, описанной в нашем недавнем материале. Номинальные значения напряжения системы возбуждения также взяты из [3].

По сценарию моделирования модель близка к примеру с бесщёточной системой возбуждения. В ходе моделирования выполняется наброс нагрузки на генератор. Регулятор скорости турбины восстанавливает частоту до номинального значения, а АРВ обеспечивает регулирование напряжения в переходном процессе.

Примечание

После наброса нагрузки напряжение на выводах генератора устанавливается не точно на заданном уровне. Это связано с отсутствием интегральной составляющей в регуляторе АРВ-СД.

Интегральная составляющая обеспечивает устранение установившейся ошибки регулирования и корректирует отклонение напряжения в установившемся режиме. В регуляторе АРВ-М данный недостаток отсутствует, так как в его структуре присутствует интегральное звено.

На начальных шагах расчёта, при поиске установившихся начальных условий, наблюдаются выбросы электрических величин. Для повышения устойчивости расчёта входные сигналы АРВ ограничиваются блоком Value Limits. Выход АРВ формируется в виде напряжения возбуждения в относительных единицах, которое далее преобразуется в угол открытия тиристоров (alpha).

Генерация импульсов управления тиристорами реализована в подсистеме Six-Pulse Generator.

Примечание

При подаче текущего угла напряжения необходимо учитывать возможные фазовые смещения, обусловленные схемой соединения обмоток трансформатора. В качестве ориентира можно использовать следующее правило:

импульс на открытие тиристора A+ (Ga low side) формироваться в момент перехода линейного напряжения через ноль с положительного значения на отрицательное, что эквивалентно фазе .

Список литературных источников

[1] Коротков В.Ф. Автоматическое регулирование в электроэнергетических системах: учебник для вузов / В.Ф. Коротков.— М.: Издательский дом МЭИ, 2013. — 416 с.: ил.

[2] Вайнштейн Р.А. Автоматическое управление электроэнергетическими системами в нормальных и аварийных режимах: учебное пособие. Часть 1 / Р.А. Вайнштейн, В.В. Шестакова, И.М. Кац; Томский политехнический университет. – Томск: Изд-во Томского политехнического университета, 2013. – 111 c.

[3] Неклепаев Б. Н., Крючков И. П. Электрическая часть станций и подстанций: Справочные материалы для курсового и дипломного проектирования. – М.: Энергоатомиздат, 1989.

[4] Вайнштейн Р. А., Понамарев Е. А., Наумов В. А. & Разумов Р. В. (2022). Основы противоаварийной автоматики в электроэнергетических системах. Томск: Изд-во РИЦ СРЗАУ.

Вывод

В представленном примере выполнено моделирование тиристорной системы самовозбуждения синхронного генератора ТГВ-300-2У3. Обмотка возбуждения генератора питается от управляемого тиристорного выпрямителя, для которого в модели реализована логика управления с генерацией импульсов открытия силовых ключей.

Такая степень детализации позволяет подробнее исследовать динамику системы возбуждения и поведение её отдельных элементов в переходных режимах. Для углублённой работы с моделью вы можете самостоятельно:

  • добавить логику форсировки возбуждения;

  • смоделировать работу генератора на энергосистему с последующим коротким замыканием;

  • реализовать собственную модель тиристорного выпрямителя для детального анализа коммутационных процессов.