Идентификация параметров модели в Engee
Описание примера
Рассмотрим реализацию задачи параметрической идентификации модели на основании данных. Нам предстоит определить несколько неизменных во времени параметров некоторой модели, структура которой нам известна заранее.
В этом примере мы будем анализировать сигнал, порожденный динамической моделью Engee. Она находится в папке start/examples/data_analysis/parametric_identification
.
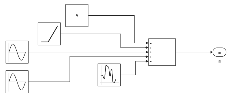
Модель состоит из двух подсистем: одна порождает анализируемый сигнал, другая – эталонная модель (без шума).

В подсистеме ModelSystem
, при помощи суммирования, объединяются пять сигналов:
- постоянная компонента: число 5,
- временная компонента: линия с наклоном 0.01,
- первая гармоника: синусоида с амплитудой 1 и угловой частотой рад/с,
- менее заметная вторая гармоника: синусоида с амплитудой 0.6 и угловой частотой рад/с,
- белый шум с нулевым смещением и дисперсией 0.3.

В подсистеме ModelBlock
мы сможем подставить идентифицированные параметры. Пока в ней заданы эталонные параметры и она генерирует эталонный сигнал. В ней модель описана в виде кода:
function (c::ModelBlock)(t::Real)
T0 = 5
T1 = 0.01
A1, f1, phi1 = 1, 0.02, 0
A2, f2, phi2 = 0.6, 0.008, 0
signal = T0 + T1 * t +
A1 * sin( 2*pi * f1 * t + phi1 ) .+
A2 * sin( 2*pi * f2 * t + phi2 );
return signal
end
Сохраним эталонные значения параметров:
Pkg.add(["CSV", "HypothesisTests"])
# "Идеальные" параметры линейной части сигнала (смещение, наклон)
T0m = 5;
T1m = 0.01;
# "Идеальные" параметры первой синусоиды (амплитуда, частота, фаза)
A1m = 1;
f1m = 0.02;
phi1m = 0;
# "Идеальные" параметры второй синусоиды (амплитуда, частота, фаза)
A2m = 0.6;
f2m = 0.008;
phi2m = 0;
В результате запуска модели мы получаем 500 секунд сигнала. Вот график последних 200 секунд:

Блок ModelBlock
сейчас инициализируется точно теми же параметрами, что и динамическая модель в подсистеме ModelSystem
, поэтому график from_code
(темно-синего цвета) полностью повторяет систематическую часть сигнала from_model
(оранжевого цвета).
Какие данные сохраняет модель
Оба сигнала сохраняются в CSV таблице param_id_data.csv
со следующими столбцами:
time
– столбец времени,m
– столбец данных, порожденных динамической моделью (эталонные параметры и погрешность),c
– столбец данных, порожденных эталонной моделью (выполненной в виде кода).
Порядок действий в этом примере
Нам предстоит выполнить следующие действия:
- запустить динамическую модель чтобы синтезировать модельные данные
- подобрать параметры всех звеньев модели в правильном порядке (предполагаем, что сигнал позволяет угадать топологию модели, либо что она нам уже известна)
- проверить, что после вычета систематических составляющих из входного сигнала, получится нормально распределенный шум
- подставить параметры в код блока Engee Function и проверить, насколько модели соответствуют друг другу.
Синтез модельных данных
Для синтеза данных, которые мы будем анализировать, запустите следующую ячейку:
modelName = "param_identification_model"
#engee.close( modelName, force=true ) # Для повторного запуска модели
model = modelName in [m.name for m in engee.get_all_models()] ? engee.open( modelName ) : engee.load( "$(@__DIR__)/$modelName.engee");
results = engee.run( modelName, verbose=false )
Загрузка библиотек
Подключение библиотек для загрузки данных, работы с таблицами, анализа спектров и библиотеки для полиномиальной регрессии.
using CSV, DataFrames, FFTW, Polynomials
Загрузка и подключение библиотеки для проверки гипотез (мы используем тестирование на нормальность):
#import Pkg; Pkg.add( "HypothesisTests", io=devnull );
using HypothesisTests
Загрузим данные
Дальше мы будем работать только с сигналом, сгенерированным из динамической модели, но вы можете убедиться, что оба способа взаимозаменяемы, и при необходимости, этот пример можно уместить в один лишь скрипт.
Мы будем визуализировать сигнал модели ModelSystem
, который состоит из вектора времени и вычисленных значений:
t = results["from_model"].time;
signal = results["from_model"].value;
Также сохраним частоту дискретизации временного сигнала (величина, обратная расстоянию во времени между двумя соседними измерениями):
sample_rate = 1/(t[2] - t[1])
Что мы будем идентифицировать
Эталонная модель ModelBlock
инициализируется эталонными значениями параметров (теми же, что в модели ModelSystem
).

Модель определяется 8 параметрами:
- параметры линейного тренда:
- амплитуда, частота и фаза первой синусоиды:
- амплитуда, частота и фаза второй синусоиды:
Параметры шума нас интересовать не будут, хотя их легко идентифицировать функциями mean
и var
.
Идентифицируем линейную составляющую
Первым делом мы идентифицируем и устраним из сигнала линейный тренд.
trend = Polynomials.fit( t, signal, 1 ) # Последний аргумент: степень полинома
Сохраним параметры полинома в отдельные переменные
T0, T1 = trend[0], trend[1]
Выведем найденный тренд на графике и покажем, как выглядят наши данные за вычетом этого тренда:
plot(
plot( t, [signal trend.(t)], label=["Данные" "Тренд"] ),
plot(t, signal - trend.(t), lc=:darkblue, label="Без тренда"),
layout=(2,1)
)
Отлично, сигнал стал похож на сочетание синусоид и шума.
Идентифицируем первую синусоиду
Чтобы определить параметры входящих в сигнал синусоид, мы построим спектр сигнала при помощи библиотеки FFTW.
Дискретизация которого будет пропорциональна количеству точек в исходном сигнале. То есть, если оставить исходную дискретизацию, мы можем получить низкую точность спектра. Чтобы избавиться от высокочастотной области, сократим количество точек в исходном сигнале, понизив частоту дискретизации исходного сигнала. Для этого мы задаем переменную downsample_factor
. Значение 40 означает, что мы возьмем каждую 40-ю точку из исходного сигнала.
downsample_factor = 40;
# Дальше мы будем работать с сигналом пониженной дискретизации (signal_downsampled)
idx_downsample = 1:downsample_factor:length(t)
t_downsampled = t[idx_downsample]
# Дискретизация сигнала, из которого мы вычли линейный тренд
signal_downsampled = (signal - trend.(t))[idx_downsample];
Поскольку нас интересует только положительная часть спектра, используем функцию rfft
(нам также не придется делать fftshift
):
# Найдем спектр сигнала
F1 = rfft(signal_downsampled)
# Рассчитаем вектор частот найденного спектра
freqs = rfftfreq(length(t_downsampled), sample_rate/downsample_factor)
# Выведем график
plot( freqs, abs.(F1) )
Найдем максимум на этом спектре и определим, какой частоте соответствует это значение.
_,idx = findmax( abs.(F1) )
print( "Частота наиболее заметной компоненты: ", freqs[idx] )
Когда мы нашли максимальную точку на спектре, мы можем идентифицировать амплитуду частоту и фазу наиболее заметной гармонической компоненты. Теперь нам нужно сделать рекомбинацию – сгенерировать гармонический сигнал из комплексного числа, которое описывает его параметры.
# Находим параметры синусоиды
A1 = 2 * abs( F1[idx] ) ./ length(t_downsampled )
# Умножение на 2 происходит из-за того, что мощность сигнала в спектре
# делится между двумя пиками: положительным и отрицательным
f1 = abs( freqs[idx] ) # Частота синусоиды
phi1 = angle( F1[idx] ) + pi/2 # Фаза синусоиды
print("A1 = ", A1, "\nf1 = ", f1, "\nphi1 = ", phi1)
Зададим первую синусоиду как функцию от времени и выведем график:
# Функция, задающая синусоиду с найденными параметрами
sinusoid1(tt) = A1 * sin.( 2*pi*f1*tt .+ phi1 );
# Выводим графики
plot(
plot( t, [signal .- trend.(t), sinusoid1.(t)], label=["Данные без лин.тренда" "Первая синусоида"] ),
plot( t, signal .- trend.(t) .- sinusoid1(t), lc=:darkblue, label="Остаточный сигнал" ),
layout=(2,1)
)
Хорошо, теперь сигнал является сочетанием синусоиды и шума.
Идентифицируем вторую синусоиду
Повторим те же операции, что и для поиска первой синусоиды:
# Сигнал пониженной дискретизации (без тренда и первой синусоиды)
signal_downsampled2 = (signal .- trend.(t) .- sinusoid1(t))[idx_downsample]
# Находим спектр сигнала после вычета первых двух компонент
F2 = rfft(signal_downsampled2)
# Рассчитаем вектор частот найденного спектра
freqs = rfftfreq(length(t_downsampled), sample_rate/downsample_factor)
# Выведем график
plot( freqs, abs.(F2) )
Найдем параметры второй синусоиды
# Находим максимум на спектре
_,idx2 = findmax( abs.(F2) )
# Определяем параметры синусоиды, соответствующие этому максимуму
A2 = 2 * abs( F2[idx2] ) ./ length( t_downsampled ) # Амплитуда
f2 = abs( freqs[idx2] ) # Частота
phi2 = angle( F2[idx2] ) + pi/2 # Фаза
print( "A2 = ", A2, "\nf2 = ", f2, "\nphi2 = ", phi2 )
Зададим вторую синусоиду как функцию от времени и выведем график:
# Функция, задающая синусоиду с найденными параметрами
sinusoid2(tt) = A2 * sin.( 2*pi*f2*tt .+ phi2 );
# Выводим графики
plot(
plot(t, [signal.-trend.(t).-sinusoid1.(t) sinusoid2.(t)],
label = ["Сигнал минус две компоненты" "Вторая синусоида"]),
plot(t, signal.-trend.(t).-sinusoid1(t).-sinusoid2(t), lc=:darkblue,
label = "Остаточный сигнал", legend=:outertopright),
layout=(2,1)
)
Как узнать, остались ли в этом сигнале существенные систематические составляющие? Один из способов – представить, что этот сигнал – реализация случайной величины и проверить его на нормальность распределения.
Анализ остаточного сигнала
Проверим гипотезу о нормальном распределении остаточной компоненты сигнала при помощи теста Харке-Бера (JB-теста):
h = JarqueBeraTest( signal .- trend.(t) .- sinusoid1(t) .- sinusoid2(t) )
Обратите внимание на результат (outcome
) теста:
fail to reject h_0
означает отсутствие веских оснований отклонять гипотезу : с уверенностью 95% мы утверждаем, что наблюдаемый сигнал порожден случайным процессом с нормальным распределениемreject h_0
означает, что уверенность в том, что наблюдаемый сигнал происходит из нормального распределения, не превышает 5%
Попробуйте исключить какую-нибудь составляющую из формулы – скорее всего, такой сигнал не пройдет тест Харке-Бера и вы получите результат reject h_0
.
Анализ результатов
Полученный результат служит основанием для завершения поиска дополнительных систематических компонент.
Выведем финальный отчет и погрешность оценки параметров.
df = DataFrame(
["T0" T0 T0m string(round(100*abs(T0 - T0m)/T0m, digits=2))*"%";
"T1" T1 T1m string(round(100*abs(T1 - T1m)/T1m, digits=2))*"%";
"A1" A1 A1m string(round(100*abs(A1 - A1m)/A1m, digits=2))*"%";
"f1" f1 f1m string(round(100*abs(f1 - f1m)/f1m, digits=2))*"%";
"phi1" phi1 phi1m string(round(abs(phi1 - phi1m),digits=2))*" рад";
"A2" A2 A2m string(round(100*abs(A2 - A2m)/A2m, digits=2))*"%";
"f2" f2 f2m string(round(100*abs(f2 - f2m)/f2m, digits=2))*"%";
"phi2" phi2 phi2m string(round(abs(phi2 - phi2m),digits=2))*" рад"
],
["Параметр", "Идентифицировано", "Модельное значение", "Погрешность"]
)
Создадим функцию, которая рассчитывает данные по модели с идентифицированными параметрами:
function ModelBlock(t)
global T0, T1, A1, f1, phi1, A2, f2, phi2;
signal = T0 .+ T1 .* t .+
A1 .* sin.( 2*pi .* f1 .* t + phi1 ) .+
A2 .* sin.( 2*pi .* f2 .* t + phi2);
return signal
end;
Сравним результат выполнения идентифицированной модели и результат запуска ModelBlock
:
plot( results["from_model"].time,
[results["from_model"].value, results["from_code"].value, ModelBlock.(t) ],
label=["Исходный сигнал" "Эталонная модель" "Идентифицированная модель"],
linecolor=[:lightblue :red :green])
В этом примере мы:
- реализовали достаточно простую процедуру параметрической идентификации,
- определили погрешность идентификации всех параметров,
- убедились, что график модели с идентифицированными параметрами вполне похож на график эталонной модели.