Неинвертирующий операционный усилитель
Введение
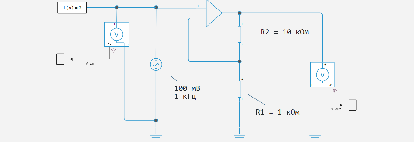
В этом примере представлена работа неинвертирующего операционного усилителя.
Описание модели
В цепи неинвертирующего операционного усилителя определены сопротивления . Отсюда, коэффициент усиления определяется как .

Поскольку блок операционного усилителя реализует идеальное устройство (т.е. с бесконечным коэффициентом усиления), определенный коэффициент усиления не зависит от выходной нагрузки. Таким образом, при амплитуде входного напряжения на выходе оно увеличивается до амплитуды .
Результаты моделирования
В результате моделирования графики входного и выходного напряжений будут иметь вид, представленный на рисунке ниже.

Как видно из графиков, мгновенная величина напряжения на выходе операционного усилителя усилена в 11 раз.
Вывод
В рассмотренном примере собрана и смоделирована схема идеального неинвертирующего операционного усилителя.