Модель механизма рулевого управления с гидроусилителем
Изучим модель упрощённой версии системы рулевого управления с гидравлическим усилителем.
Изучаемая система
Гидроусилитель руля (ГУР) преобразует усилие водителя в гидравлическое давление, облегчая поворот колес. Применяется в автомобилях для комфорта и снижения нагрузки на водителя. Кроме того, что ГУР уменьшает физическое усилие при повороте руля, эта система также повышает точность и плавность управления. Создание модели такой системы позволит оптимизировать ее параметры (жесткость торсиона, производительность насоса), изучать отказы (например, потерю давления) или протестировать новые решения (например, электрогидравлические системы).
Описание модели
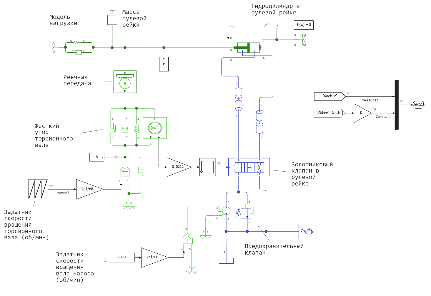
В состав системы входят:
- Двухсторонний гидроцилиндр
- 4-ходовой распределительный клапан
- Насос постоянного давления
- Предохранительный клапан
Рулевая рейка воздействует на нагрузку, смоделированную пружиной и демпфером.
.png)
Поворот рулевого колеса вызывает скручивание торсионного стержня, установленного между рулём и шестерней реечного механизма. Деформация стержня преобразуется в величину, выражающую смещение штока 4-ходового клапана, который соединяет полости гидроцилиндра с напорной или со сливной магистралью в зависимости от направления поворота. Между вращательно-механической и гидравлической частью системы находится блок "Умножение на константу" (Gain), который преобразует угол торсионного стержня в степень открытия клапана. Если коэффициент усиления этого блока установлен в 0, гидроусилитель отключается.
Если деформация торсионного стержня превышает 9 градусов, рулевое колесо жёстко соединяется с шестерней через механические упоры, установленные параллельно стержню. Гидроцилиндр перемещает рулевую рейку, что вызывает обратное скручивание торсионного стержня до тех пор, пока клапан не вернётся в нейтральное положение.
Запуск расчетов и анализ результатов
Запустим модель при помощи командного управления чтобы получить графики для отчета:
model_name = "power_assisted_steering_mechanism";
model_name in [m.name for m in engee.get_all_models()] ? engee.open(model_name) : engee.load( "$(@__DIR__)/$(model_name).engee");
res = engee.run( model_name ); # Расчет модели
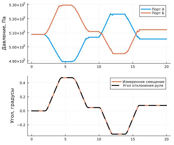
В обычном режиме, при наличии обратной связи между углом поворота руля с пропорциональным коэффициентом -0.0212, мы получаем следующий график:
gr()
plot( res["Command"].time, rad2deg.([res["Measured"].value res["Command"].value]),
label = ["Измеренное смещение" "Угол отклонения руля"],
ylabel="Угол, градусы",
lw=3, c=[2 :black], ls=[:solid :dash], size=(600,300) )
gr()
torque_with_as = res["Rack & Pinion.T_pinion"]; # Сохраним значнеие момента на валу руля
plot(
plot( res["Double-Acting Actuator (IL).port_a.p"].time,
[res["Double-Acting Actuator (IL).port_a.p"].value res["Double-Acting Actuator (IL).port_b.p"].value],
label=["Порт А" "Порт Б"], ylabel="Давление, Па",
lw=3),
plot( res["Command"].time, rad2deg.([res["Measured"].value res["Command"].value]),
label = ["Измеренное смещение" "Угол отклонения руля"],
ylabel="Угол, градусы",
lw=3, c=[2 :black], ls=[:solid :dash] ),
size=(600,500), layout=(2,1)
)
Мы видим, как менялось давление в каждом объеме внутри гидроцилиндра.
Работа при отключенном гидроусилителе
Чтобы изучить работу при отключенном гидроусилителе отключим связь между датчиком угла руля и штоком клапана, которая сейчас осуществляется при помощи пропорционального коэффициента -0.0212. То есть поворот руля на 90 градусов сместит шток на 3.33 миллиметра в ту или иную сторону.
Обнулим эту связь при помощи командного управления.
engee.set_param!( "power_assisted_steering_mechanism/Коэффициент усиления-1", "Gain" => 0 )
Выполним уже ранее открытую модель.
res = engee.run( model_name ); # Расчет модели
На графиках также сравнивается усилие на руле при включенном и выключенном гидроусилителе. Когда гидроусилитель выключен, водителю требуется прилагать значительно больше усилий без гидроусилителя чтобы соблюдать заданный угол поворота рейки руля.
plot(
plot(res["Rack & Pinion.T_pinion"].time,
[torque_with_as.value res["Rack & Pinion.T_pinion"].value],
ylabel="Крутящий момент, Н/м",
label=["С гидроусилителем" "Без гидроусилителя"]),
plot(res["Command"].time, rad2deg.([res["Measured"].value res["Command"].value]),
label = ["Измеренное смещение" "Угол отклонения руля"],
ylabel="Угол, градусы", c=[2 :black], ls=[:solid :dash]),
size=(600,500), layout=(2,1), lw=3
)
На нижнем графике мы также замечаем, что смещение колес происходит намного медленнее и не успевает за командой, возможно это происходит потому что насос гидравлической по-прежнему включен, и поршень сильно демпфирует смещение рулевой рейки.
Снова включим обратную связь чтобы не мешать дальнейшим экспериментам.
engee.set_param!( "power_assisted_steering_mechanism/Коэффициент усиления-1",
"Gain" => -0.0212 )
Что еще можно исследовать на этой модели
Эта модель позволит нам отладить модель цифровой системы управления ГУР, а также исследовать сложные эффекты, происходящие в системе гидроусилителя руля:
- Исследование влияния жесткости торсионного стержня на чувствительность рулевого управления
Для этого нужно добавить торсионный стержня на моделируемый элемент с регулируемой жесткостью (например, через пружину с переменным коэффициентом). Такая модификация позволит нам показать, как изменение жесткости влияет на чувствительность рулевого управления (угол поворота руля до срабатывания гидроусилителя) и на устойчивость системы (возможность возникновения колебаний при слишком мягком стержне).
- Моделирование динамического демпфирования для устранения колебаний рулевого управления
Для этого нужно добавить в модель активный демпфера в систему рулевой рейки (например, электрического амортизатора с управлением от датчика скорости). Это позволит нам показать, как демпфер подавляет колебания рулевого механизма при резком повороте или сравнить отклик системы с пассивным (пружина+демпфер) и активным демпфированием.
- Имитация различных режимов работы насоса (постоянный vs. переменный поток)
Замена фиксированного насоса на регулируемый (например, с пропорциональным управлением) позволит рассчитать энергопотребление системы при разных скоростях движения (на низкой скорости требуется больше усилий, на высокой – меньше), а также сравнить КПД системы с насосом постоянной и переменной производительности.
- Влияние люфтов и зазоров в механизме на точность рулевого управления
Добавление в модель неидеальностей (например, мертвого хода в зубчатой передаче или зазоров в соединениях) позволит показать, как зазоры приводят к запаздыванию реакции колес или визуализировать ударные нагрузки при резком изменении направления поворота.
Заключение
Реализованная модель позволяет продемонстрировать большой диапазон интересных эффектов, возникающих в гидроусилителе руля, а также приступить к разработке цифровой системы управления ГУР.
.png)
.png)
.png)