Система приглушения фоновых шумов
В данном примере мы рассмотрим две модели приглушения фонового шума в аудиосигнале за счёт наложения коэффициента усиления.
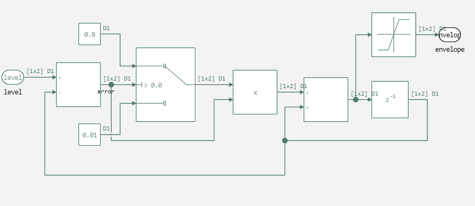
На рисунке ниже показана подсистема сглаживания помех. В первом случае подсистема работает в конвейерном режиме. Во втором она срабатывает только в случае достижения порогового значения входного сигнала, то есть при низкой энергии входного сигнала.
.png)
Далее объявим вспомогательные функции запуска моделей и воспроизведения аудиофайлов.
Pkg.add(["WAV"])
# Подключение вспомогательной функции запуска модели.
function run_model( name_model)
Path = (@__DIR__) * "/" * name_model * ".engee"
if name_model in [m.name for m in engee.get_all_models()] # Проверка условия загрузки модели в ядро
model = engee.open( name_model ) # Открыть модель
model_output = engee.run( model, verbose=true ); # Запустить модель
else
model = engee.load( Path, force=true ) # Загрузить модель
model_output = engee.run( model, verbose=true ); # Запустить модель
engee.close( name_model, force=true ); # Закрыть модель
end
sleep(5)
return model_output
end
using WAV;
using .EngeeDSP;
function audioplayer(patch, fs, Samples_per_audio_channel);
s = vcat((EngeeDSP.step(load_audio(), patch, Samples_per_audio_channel))...);
buf = IOBuffer();
wavwrite(s, buf; Fs=fs);
data = base64encode(unsafe_string(pointer(buf.data), buf.size));
display("text/html", """<audio controls="controls" {autoplay}>
<source src="data:audio/wav;base64,$data" type="audio/wav" />
Your browser does not support the audio element.
</audio>""");
return s
end
После объявления функций запустим выполнение моделей.
Первой запустим модель с конвейерной реализацией.
.png)
run_model("agc_sub") # Запуск модели.
А теперь запустим модель с включаемой подсистемой.
.png)
run_model("agc_enabled") # Запуск модели.
Теперь проведём анализ записанных WAV-файлов и сравним их с исходной аудиодорожкой. Первым делом прослушаем результаты.
inp = audioplayer("$(@__DIR__)/speech_fade_48kHz.wav", 48000, 256);
out_s = audioplayer("$(@__DIR__)/out_48kHz_s.wav", 48000, 256);
out_e = audioplayer("$(@__DIR__)/out_48kHz_e.wav", 48000, 256);
Вывод
Послушав эти аудиодорожки, мы можем заметить, что звук при конвейерной обработке более равномерный и имеет меньше искажений, чем при использовании включаемой подсистемы. Это связано с тем, что обратная петля в одном случае отрабатывает каждый такт, а в другом – только в момент наличия управляющего сигнала. Блок Delay внутри Compute Envelope
подсистемы имеет начальное состояние, равное нулю. Вы можете поэкспериментировать с более крупными значениями
начального состояния, и это повлияет на степень искажения аудиодорожки.