Токовая направленная защита нулевой последовательности
Введение
В данном примере реализована логика работы токовой направленной (ненаправленной) защиты нулевой последовательности (далее ТНЗНП). Работа ТНЗНП показана в модели простейшей энергосистеме напряжением 220 кВ.
Описание модели
Схема и параметры энергосистемы представлены ниже:
Параметры энергосистемы С1:
Активное сопротивление прямой последовательности– 0,393 Ом
Индуктивное сопротивление прямой последовательности – 4,276 Ом
Активное сопротивление нулевой последовательности – 0,494 Ом
Индуктивное сопротивление нулевой последовательности – 4,02 Ом
Эквивалентная ЭДС– 230 кВ
Фазовый угол ЭДС– 10°
Параметры энергосистемы С2:
Активное сопротивление прямой последовательности– 4,85 Ом
Индуктивное сопротивление прямой последовательности – 25,604 Ом
Активное сопротивление нулевой последовательности – 10,607 Ом
Индуктивное сопротивление нулевой последовательности – 53,347 Ом
Эквивалентная ЭДС– 220 кВ
Фазовый угол ЭДС– 0°
Параметры линий Л1 и Л2:
Длина 100 км
Удельное сопротивление линии прямой последовательности 0,0958 + j 0,4038 Ом/км
Удельное сопротивление линии нулевой последовательности 0,3471+ j 1,2432Ом/км
Удельная емкость прямой последовательности 2,642 мкСм/км
Удельная емкость нулевой последовательности 2,119 мкСм/км
В модели заданы обратные вызовы. При открытие модели будут созданы переменные описывающие параметры линий:
Z1 = 0.0958 + 0.4038im
Z0 = 0.3471 + 1.2432im
B1 = 2.6424e-6
B0 = 2.119e-6
Описание разработанных блоков
Реализация ТНЗНП
Токовая защита нулевой последовательности (ТНЗНП) включает:
-
токовое реле, контролирующее действующее значение тока ;
-
реле направления мощности (РНМ), определяющее направление мощности нулевой последовательности.
В представленной реализации используется следующая логика срабатывания.
Токовое реле
Срабатывание происходит при условии:
Возврат реле происходит при выполнении условия:
Токовое реле в модели:
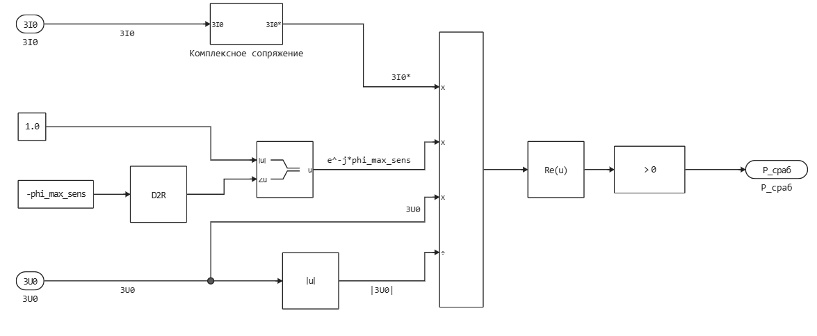
Реле направления мощности
Срабатывает происходит при условии:
где – комплексно-сопряжённый ток нулевой последовательности.
Графической представление формулы:
Реле направления мощности в модели:
Реализация ТНЗНП в модели:
Реализация защиты в модели предусматривает работу как в направленном, так и в ненаправленном режиме. Переключение режимов выполняется блоком «Переключение режимов работы». Параметр Operation mode задаётся через маску подсистемы.
Реализация АУВ
Комплект релейной защиты передаёт команды на срабатывание в блок упрощённой автоматики управления выключателем (АУВ).
Блок АУВ моделирует:
-
задержку срабатывания (время отключения выключателя);
-
имитацию простейшего автоматического повторного включения (АПВ) — без контроля синхронизма и без контроля напряжения на линии.
Блок Monostable фиксирует импульс на отключение выключателя на протяжении бестоковой паузы. Значение времени бестоковой паузы задаётся через маску блока АУВ.
Константа «Кол-во пусков АПВ» ограничивает число повторных включений. В данной модели реализовано однократное АПВ.
Для ускорения симуляции в модели на линии Л-2 не установлены комплекты защиты. Однако блоки АУВ выключателей В3 и В4 могут отправлять команды на включение и отключение.
Моменты срабатывания задаются через маску блока. В текущей настройке для АУВ В3 и В4 заданы параметры, моделирующие короткое замыкание на Л-2:
-
выключатель В3 отключается второй ступенью ТНЗНП;
-
выключатель В4 — первой ступенью.
После отключения оба выключателя выполняют попытку повторного включения по истечении бестоковой паузы. Попытка АПВ оказывается неуспешной, и выключатели повторно отключаются.
Для вывода линии Л-2 из работы можно задать нулевые параметры в АУВ В3 и В4. В этом случае команда на отключение поступает на выключатели сразу при запуске симуляции.
Моделирование короткого замыкания на Л-1 выполняется либо разрывом связи между АУВ и выключателем, либо заданием момента КЗ, превышающего время симуляции.
.png)
Настройка ТНЗНП
В модели настроены первая и вторая ступени токовой защиты нулевой последовательности. Ниже приведена использованная методика расчёта.
Первая ступень отстраивается от максимального утроенного тока нулевой последовательности при замыкании на землю на шинах противоположной подстанции:
где – максимальный утроенный ток нулевой последовательности в месте установки защиты;
Вторая ступень ТНЗНП должна полностью покрывать защищаемую линию. Так как в рассматриваемой системе в периферии имеется только параллельная линия, достаточно отстроить защиту от минимального утроенного тока нулевой последовательности при замыкании на землю на шинах противоположной подстанции:
где – минимальный утроенный ток нулевой последовательности в месте установки защиты;
Угол максимальной чувствительности реле направления мощности ТНЗНП определяется по выражению:
где – удельное комплексное сопротивление линии нулевой последовательности, Ом/км;
Тестирование ТНЗНП
Для начала откроем модель и загрузим её для быстрого запуска:
example_path = @__DIR__; # Получаем абсолютный путь к директории, содержащей текущий скрипт
cd(example_path); # Переходим в директорию примера
model_name = "ground_directional_overcurrent_relay.engee"
engee.open(model_name); # Открываем модель
model = engee.load(model_name); # Загрузим модель для быстрого доступа
Подготовим модель для тестирования срабатывания защиты Л1 в точке К2 при включенной Л2 и запустим симуляцию:
path = engee.gcm().name # Наименование модели
# Задаём параметры блока КЗ
t_sc = 0.5 # Задаём момент КЗ и передаём в блок КЗ
engee.set_param!(path * "/К2", "temporal" => true,
"type" => "Single-phase to ground (a-g)")
duration = 10 # Передаём параметр duration в блок К3
# Включение паралелльной линии. В АУВ заданы параметры начала КЗ заведомо большие длительности симуляции
engee.set_param!(path * "/АУВ В3", "t_start" => 10.0)
engee.set_param!(path * "/АУВ В4", "t_start" => 10.0)
results = engee.run(model);
Код ниже позволит проверить корректность срабатывания ТНЗНП:
# Получим результаты моделирования
I0_1 = results["|3I0_1|"].value
Iabc = results["I_1"].value
t = results["|3I0_1|"].time;
# Получаем величину уставки первой и второй ступени защиты Л1 со стороны С1
I_trip_first = parse(Float64, engee.get_param(path * "/С1: ТНЗНП 1ст Л1", "I_trip"))
I_trip_second = parse(Float64, engee.get_param(path * "/С1: ТНЗНП 2ст Л1", "I_trip"));
# В модели задан шаг расчёта равный 100e-6
# Переходный процесс затухает примерно за 0,07 с, определим величину тока КЗ
index_sc = Int(floor((t_sc + 0.071) * 10^4)) # Получаем индекс для определения тока КЗ
# Или получаем индекс таким образом. Такая реализация позволяет получить индекс вне зависимости от шага расчёта
index_sc = findfirst(t .>= t_sc + 0.071)
# Сохраняем ток КЗ
I_sc = I0_1[index_sc];
# Получим статус срабатывания от первой и второй ступени
signal_second_stage = results["С1: ТНЗНП 1ст Л1.Сраб"].value[index_sc] # К моменту затухания КЗ 1-я ступень уже срабатывает
# Вторая ступень срабатывает позже
# Получение сигнала срабатывания второй ступени
t_second_trip = parse(Float64, engee.get_param(path * "/С1: ТНЗНП 2ст Л1",
"t_trip")) + t_sc + 0.02
index_second_trip = findfirst(t .>= t_second_trip)
signal_second_stage = results["С1: ТНЗНП 2ст Л1.Сраб"].value[index_second_trip];
# Если срабатывает любая ступень - считаем, что защита отработала
if results["С1: ТНЗНП 1ст Л1.Сраб"].value[index_sc] || results["С1: ТНЗНП 2ст Л1.Сраб"].value[index_second_trip]
trip_status = true
else
trip_status = false
end;
# Сравним ток КЗ с уставкой
if I_sc >= I_trip_first || I_sc >= I_trip_second
trip_correct = true
else
trip_correct = false
end;
# Выведем результаты
println("""
Уставка первой ступени: $I_trip_first А
Уставка второй ступени: $I_trip_second А
Величина тока КЗ: $(round(I_sc, digits=2)) А
Превышение токовой уставки: $trip_correct
Срабатывание защиты: $trip_status
""")
Построим график утроенного тока нулевой последовательности для визуального анализа условий срабатывания защиты:
# Построение графика тока нулевой последовательности
# Строим основной график тока
plot(
t, I0_1,
label="3I0_1",
xlabel="t, c",
ylabel="I, А",
title="График тока 3I0 на стороне С1",
color=:blue
)
# Добавляем горизонтальные линии для графического отображения токовых уставок
hline!([I_trip_first], label="1-я ступень", linestyle=:dash, color=:red)
hline!([I_trip_second], label="2-я ступень", linestyle=:dash, color=:green)
Графики фазных токов измеренные на стороне С1:
I = reduce(hcat, Iabc)' # Транспонируем, чтобы получилась матрица (N×3)
# Строим график
plot(t, I, lw=2, label=["Фаза A" "Фаза B" "Фаза C"], color=[:orange :green :red])
title!("График фазных токов на стороне С1")
xlabel!("Время, c")
ylabel!("Ток, А")
Вывод
В данном примере продемонстрирована реализация логики работы ТНЗНП. Для проверки работоспособности защиты использована упрощённая схема энергосистемы с несколькими точками короткого замыкания. Логика работы была протестирована при внутреннем КЗ в точке К2. При этом КЗ со стороны С1 отключается второй ступенью ТНЗНП, а со стороны С2 - первой.
На основе представленных блоков вы можете самостоятельно собрать и настроить собственный комплект защит.