Расчёт режимов электросетей
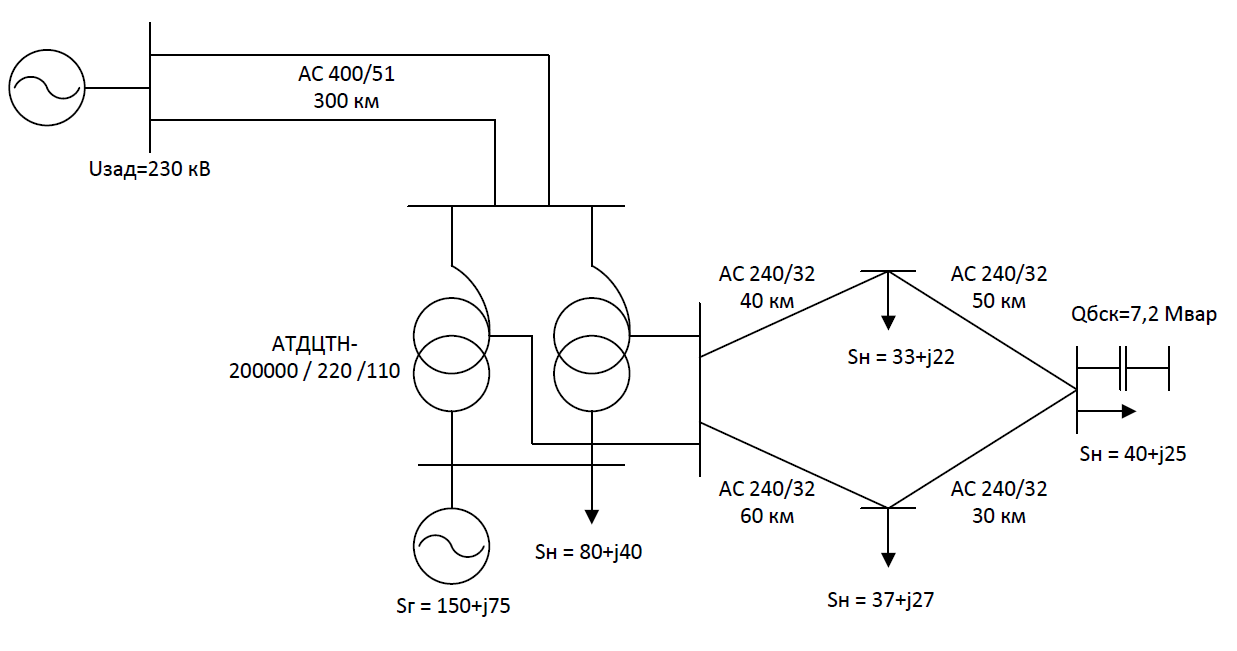
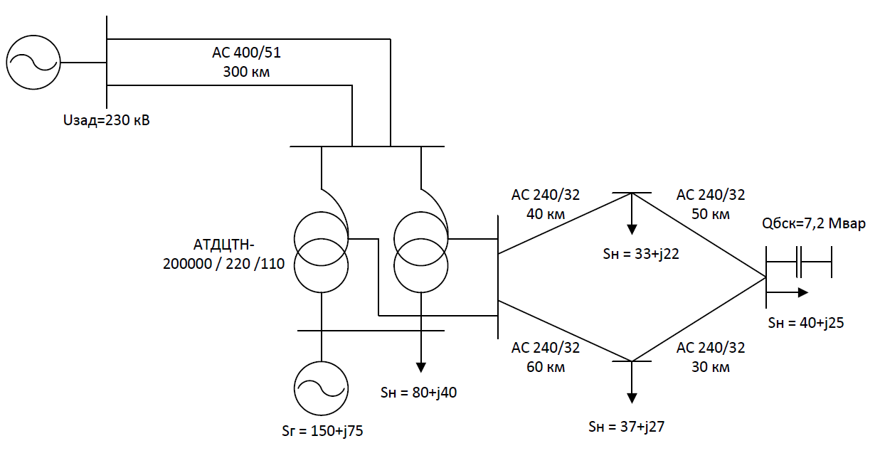
В данном примере показано, как использовать приложение Расчёт режимов электросетей на примере энергосистемы, изображённой на рисунке:

Для ввода схемы в приложение и расчёта режима необходимо провести ряд последовательных действий.
1. Составление схемы замещения
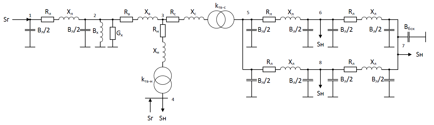
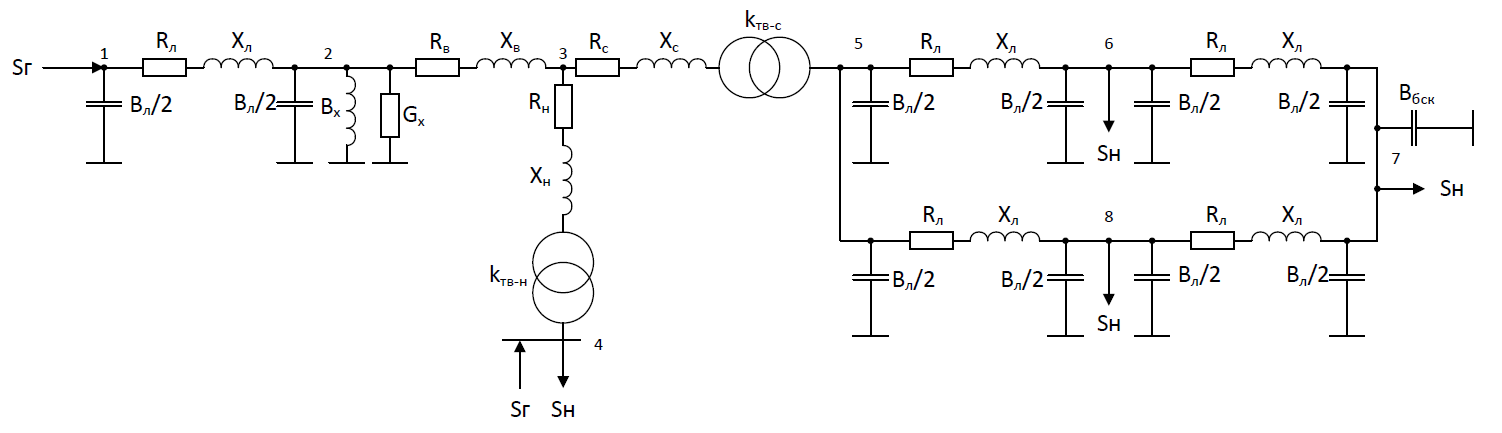
Для корректного задания схемы в приложении стоит сначала составить схему замещения с нумерацией всех узлов. Нагрузки и генераторы задаются инжекцией мощности, воздушные линии (ВЛ) моделируются по Π-схеме замещения, автотрансформаторы (АТ) представляются по схеме «звезда» с промежуточным узлом и тремя ветвями, две из которых имеют коэффициенты трансформации, батареи статических конденсаторов (БСК) заменяются шунтом.

2. Расчёт параметров схемы замещения
Формулы для расчёта параметров схем замещения элементов энергосистемы.
ВЛ:
Активное сопротивление:
Индуктивное сопротивление:
Емкостная проводимость на землю:
Расчёты сведены в таблицу:
Параметр\ВЛ | 1-2 | 5-6 | 6-7 | 7-8 | 5-8 |
---|---|---|---|---|---|
Марка провода | АС 400/51 | АС 240/32 | АС 240/32 | АС 240/32 | АС 240/32 |
220 | 110 | 110 | 110 | 110 | |
0.0730 | 0.118 | 0.118 | 0.118 | 0.118 | |
0.42 | 0.405 | 0.405 | 0.405 | 0.405 | |
2.701 | 2.808 | 2.808 | 2.808 | 2.808 | |
300 | 40 | 50 | 30 | 60 | |
2 | 1 | 1 | 1 | 1 | |
10.95 | 4.72 | 5.9 | 3.54 | 7.08 | |
63 | 16.2 | 20.25 | 12.15 | 24.3 | |
1620.6 | 112.32 | 140.4 | 84.24 | 168.48 |
АТ:
Активные сопротивления рассчитаны с учётом мощностей обмоток В:С:Н = 100%:100%:50%:
Пересчёт напряжений короткого замыкания:
Поскольку физически не может быть отрицательным, принимаем его равным нулю.
Индуктивные сопротивления:
Активная и индуктивная проводимости ветви намагничивания АТ:
Коэффициенты трансформации:
БСК:
3. Задание схемы в приложении
Для открытия приложения необходимо перейти в рабочее пространство Engee и в левом верхнем углу в разделе Приложения выбрать Расчёт режимов электросетей.

Для работы с приложением используются три вкладки с таблицами: Узлы, Ветви, Генераторы. При открытии приложения они будут пустые. Во всех трёх таблицах есть столбец номера строки N, его нужно заполнять при добавлении каждой строки.

Узлы
Начнём с задания узлов. Для добавления узла нужно выбирать вкладку Узлы и нажать кнопку Добавить строку.

Узел №1 является базисным узлом, для него необходимо задать номинальное напряжение, тип и добавить в этот узел генератор на вкладке Генераторы. У генератора настраиваются колонки номера узла Nузла = 1 и задаваемое напряжение Vзд = 230 кВ.
Узел №2 является нагрузочным, необходимо задать тип, номинальное напряжение и проводимость шунта поперечной ветви автотрансформатора. Активная и емкостная проводимости шунта задаются со знаком плюс, а индуктивная с минусом. По умолчанию на вкладке Узлы отсутствуют колонки для проводимости шунтов. Для добавления колонок необходимо нажать кнопку Настройка видимых колонок -> Колонки узлов -> Gш, Bш.

После добавления колонок вводим значения проводимостей, должно получиться как на рисунке:
Узел №3 также является нагрузочным, вводим тип и номинальное напряжение.
Узел №4 — для него задаются нагрузка, тип «генератор» и номинальное напряжение 10 кВ. Мощность нагрузки задаётся в столбцах Pн = 80 МВт и Qн = 40 Мвар. У генератора настраиваются колонки номера узла Nузла = 4, активной мощности Pг = 150 МВт, задаваемое напряжение Vзд = 10.5 кВ и пределы регулирования по реактивной мощности Qмакс = 100 Мвар и Qмин = -100 Мвар.
Узлы №5-8 - нагрузочные узлы, в узле №7 необходимо задать БСК в виде шунта.
В результате должны получиться такие таблицы Узлы и Генераторы:


Ветви
Перейдём к заданию ветвей. Ветви бывают двух типов: линия и трансформатор. Тип ветви определяется значением коэффициента трансформации: если Кт = 1 — это линия; если Кт ≠ 1 — трансформатор. Для добавления первой ветви необходимо перейти на вкладку Ветви и добавить строку. Ветви соединяют узлы, поэтому для всех ветвей нужно задать начальный и конечный узел.
Ветвь 1-2 — это ВЛ, для неё необходимо задать сопротивления и проводимость.
Ветвь 2-3 — это одна из ветвей АТ, не содержащая трансформатор — поэтому она задаётся аналогично ВЛ, без учёта ёмкостной проводимости.
Ветвь 3-4 — трансформаторная ветвь, нужно задать коэффициент трансформации.
Ветвь 3-5 — трансформаторная ветвь с нулевым индуктивным сопротивлением, для корректного расчёта необходимо задать индуктивное сопротивление 0,2 Ом.
Остальные ветви - это ВЛ, задаются по аналогии с ветвью 1-2. В результате должна получиться такая таблица ветвей:

На этом этап ввода данных завершён.
4. Расчёт режима
Для расчёта режима необходимо нажать кнопку Запустить расчёт. Если всё задано корректно, то в левом верхнем углу появится надпись Решение найдено, а в таблицах появятся рассчитанные значения напряжений и мощностей.


Результаты расчёта можно сохранить с помощью кнопки Сохранить файл с режимом.

В файловом браузере Engee появится директория с сохраненным файлом режима:

Для проверки правильности задания данных и расчёта режима сравним результаты с программой RastrWin. Результаты расчёта режима в RastrWin:
Обратите внимание, что в приложении положительное направление мощности задано от шины к линии, а в RastrWin — от конца к началу. В результате знаки мощностей у ветвей могут различаться.

Выводы
В данном примере было показано, как рассчитать параметры элементов энергосистемы и выполнить расчёт установившегося режима с помощью приложения Расчёт режимов электросетей. Полученные результаты подтверждают корректность работы приложения и его соответствие расчётам, выполненным в программе RastrWin.