背景噪音降低系统
在本例中,我们考虑了两种通过增益来抑制音频信号中背景噪声的模式。
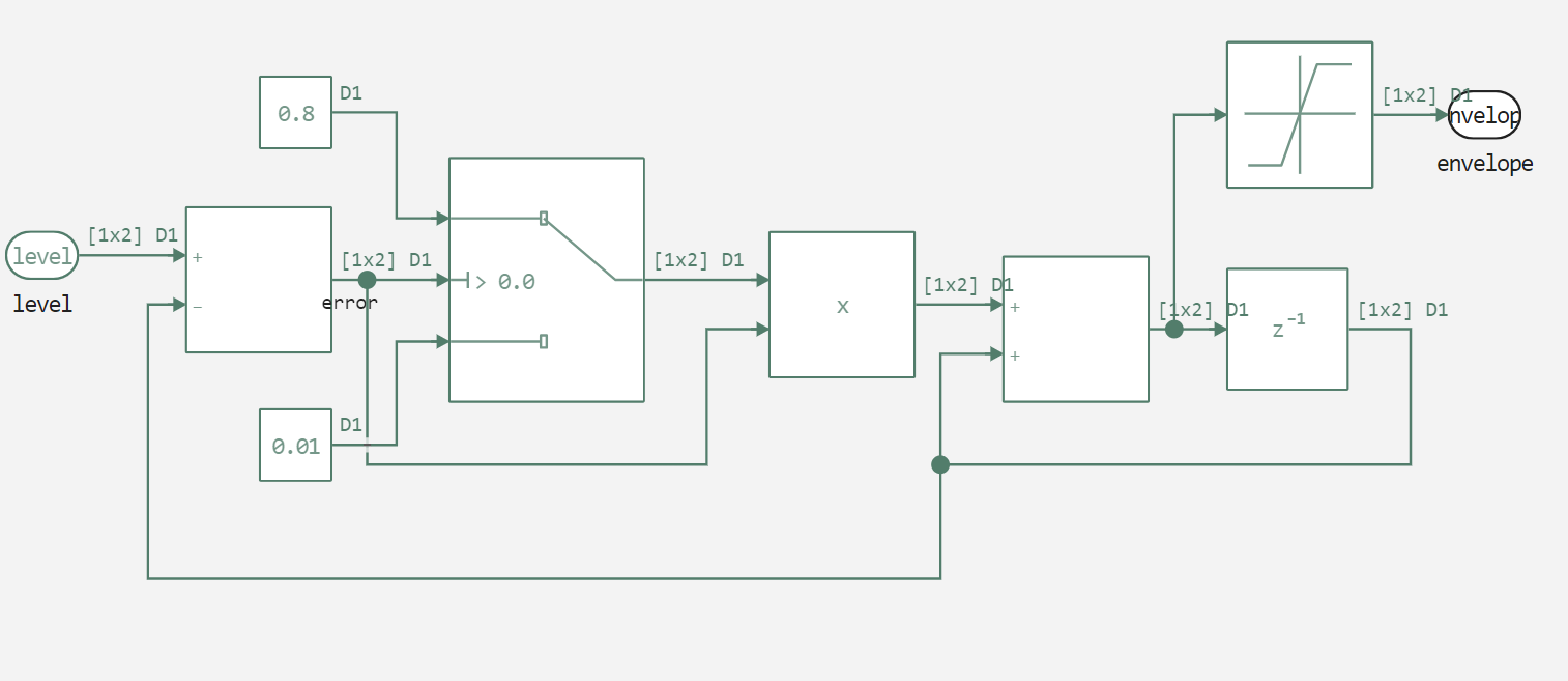
下图显示了降噪子系统。在第一种情况下,子系统以流水线模式运行。在第二种情况下,只有当输入信号达到阈值时,即输入信号能量较低时,才会触发子系统。

接下来,让我们声明用于启动模型和播放音频文件的辅助函数。
In [ ]:
Pkg.add(["WAV"])
In [ ]:
# Подключение вспомогательной функции запуска модели.
function run_model( name_model)
Path = (@__DIR__) * "/" * name_model * ".engee"
if name_model in [m.name for m in engee.get_all_models()] # Проверка условия загрузки модели в ядро
model = engee.open( name_model ) # Открыть модель
model_output = engee.run( model, verbose=true ); # Запустить модель
else
model = engee.load( Path, force=true ) # Загрузить модель
model_output = engee.run( model, verbose=true ); # Запустить модель
engee.close( name_model, force=true ); # Закрыть модель
end
sleep(5)
return model_output
end
Out[0]:
In [ ]:
using WAV;
using .EngeeDSP;
function audioplayer(patch, fs, Samples_per_audio_channel);
s = vcat((EngeeDSP.step(load_audio(), patch, Samples_per_audio_channel))...);
buf = IOBuffer();
wavwrite(s, buf; Fs=fs);
data = base64encode(unsafe_string(pointer(buf.data), buf.size));
display("text/html", """<audio controls="controls" {autoplay}>
<source src="data:audio/wav;base64,$data" type="audio/wav" />
Your browser does not support the audio element.
</audio>""");
return s
end
Out[0]:
声明函数后,让我们开始执行模型。
第一个要启动的模型是实现管道的模型。

In [ ]:
run_model("agc_sub") # Запуск модели.
现在让我们运行包含子系统的模型。

In [ ]:
run_model("agc_enabled") # Запуск модели.
现在,让我们分析录制的 WAV 文件,并与原始音轨进行比较。首先,让我们来听听结果。
In [ ]:
inp = audioplayer("$(@__DIR__)/speech_fade_48kHz.wav", 48000, 256);
In [ ]:
out_s = audioplayer("$(@__DIR__)/out_48kHz_s.wav", 48000, 256);