电网模式计算
本示例说明如何在图中所示的电力系统示例中使用 电网计算应用程序:

要在应用程序中输入方案并计算模式,需要进行一系列连续操作。
1.绘制替换图
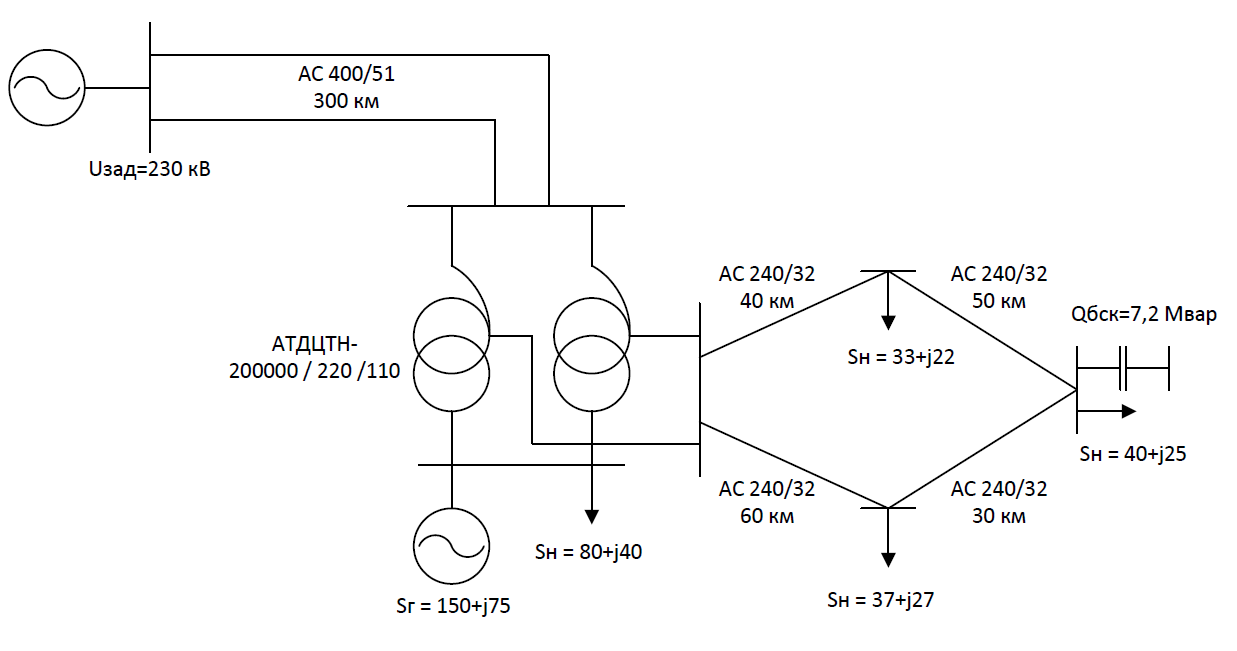
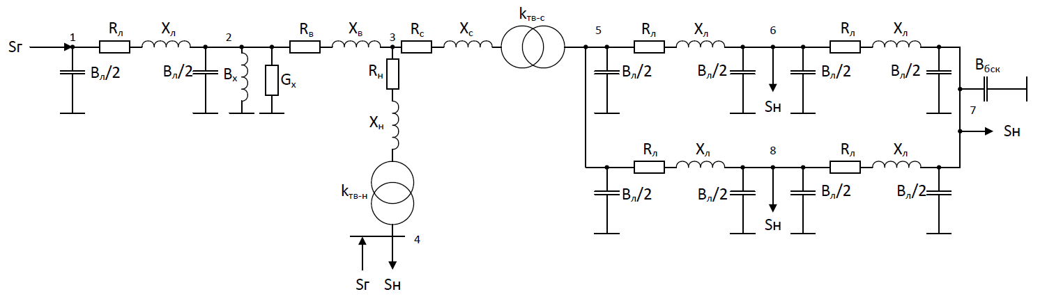
为了在应用程序中正确指定电路,有必要首先绘制包含所有节点编号的替换图。负载和发电机按功率注入定义,架空线路按 Π 替代图建模,自耦变压器 (AT) 按星形图表示,有一个中间节点和三个分支,其中两个具有变比,静态电容器组 (SCB) 由并联取代。

2.替代方案参数的计算
电力系统元件替换图参数计算公式。
架空线路:<br
有功电阻:<br
<br
感应电阻:<br
<br
对地电容传导性:
<br
计算结果汇总于下表:
Параметр\ВЛ | 1-2 | 5-6 | 6-7 | 7-8 | 5-8 |
---|---|---|---|---|---|
AC 400/51 | AC 240/32 | AC 240/32 | AC 240/32 | AC 240/32 | |
220 | 110 | 110 | 110 | 110 | |
0.0730 | 0.118 | 0.118 | 0.118 | 0.118 | |
0.42 | 0.405 | 0.405 | 0.405 | 0.405 | |
2.701 | 2.808 | 2.808 | 2.808 | 2.808 | |
300 | 40 | 50 | 30 | 60 | |
2 | 1 | 1 | 1 | 1 | |
10.95 | 4.72 | 5.9 | 3.54 | 7.08 | |
63 | 16.2 | 20.25 | 12.15 | 24.3 | |
1620.6 | 112.32 | 140.4 | 84.24 | 168.48 | |
<br | |||||
AT: |
|||||
有功电阻的计算考虑了绕组功率 B:C:H = 100%:100%:50%: 。 |
<br
<br
重新计算短路电压:
<br
<br
<br
由于 物理上不可能为负,因此我们将其取为零。
电感电阻:<br
<br
<br
<br
AT 磁化支路的有源电导和无源电导:<br
<br
<br
变换系数:
<br
<br
BSC:
<br
3.附录中的方案分配
要打开应用程序,请进入Engee工作区,在左上角应用程序下选择电网模式计算。

该应用程序有三个带表格的选项卡:节点、分支**、发电机**。打开应用程序时,它们都是空的。这三个表格中都有一列行号 N,添加每一行时都必须填写。

节点
让我们从节点分配开始。要添加节点,请选择 "节点"选项卡,然后单击 "添加行"按钮。

节点 1 是一个基本节点,需要在发电机选项卡上为该节点设置额定电压、类型并添加发电机。节点编号 Nnode = 1 和设定电压 Vzd = 230 kV 这两列是为发电机设置的。
节点号 2 是负载节点,需要设置自耦变压器交叉支路分流器的类型、额定电压和电导率。分流器的有功电导率和电容电导率用正号设置,电感电导率用负号设置。默认情况下,节点选项卡上没有分流电导列。要添加列,请单击 自定义可见列 -> 节点列 -> Gsh、Bsh 按钮。

添加列后,输入导电率值,结果如图所示:
节点 #3 也是负载节点,输入类型和额定电压。
节点 #4 - 设置负载,类型为 "发电机",额定电压为 10 kV。负载功率设置为 Pn = 80 MW 和 Qn = 40 Mvar。发电机的节点数 Nnode = 4,有功功率 Pr = 150 MW,设定电压 Vzd = 10.5 kV,无功功率控制限值 Qmax = 100 Mvar 和 Qmin = -100 Mvar。
节点 5-8 为负荷节点,在节点 7 中需要以并联形式设置 BSC。
结果应为下表中的节点和发电机:


分支
下面我们开始分支分配。分支有两种类型:直线和变换器。分支类型由变换比率值决定:如果 Kt = 1,则为直线;如果 Kt ≠ 1,则为变换器。要添加第一个分支,请转到分支选项卡并添加一条直线。分支连接节点,因此所有分支都需要指定起点和终点节点。
分支 1-2 是一条架空线,需要设置电阻和导电率。
支路 2-3 是 AT 支路之一,不包含变压器 - 因此其设置与架空线路类似,但不考虑电容传导性。
支路 3-4 是变压器支路,需要设置变压器系数。
支路 3-5 是变压器支路,感抗为零。
其他支路为架空线路,与支路 1-2 类比设置。结果应为以下分支表:

至此,数据输入步骤完成。
4.计算模式
要计算模式,必须按下开始计算按钮。如果一切设置正确,左上角将显示找到解决方案,表格中将显示计算出的电压和功率。


计算结果可以通过用模式保存文件按钮保存。

已保存模式文件的目录将出现在Engee文件浏览器中:

为了验证数据设置和模式计算的正确性,请将结果与RastrWin程序进行比较。在RastrWin中的模式计算结果:
请注意,在应用程序中,正功率方向的设置是从总线到线路,而在 RastrWin 中则是从终点到起点。因此,各分支的功率符号可能不同。

结论
本例演示了如何使用 RastrWin 应用程序计算电力系统元件参数并进行稳态计算。所获得的结果证实了应用程序的正确性及其与RastrWin程序所执行计算的一致性。