AnyMath 文档
Notebook

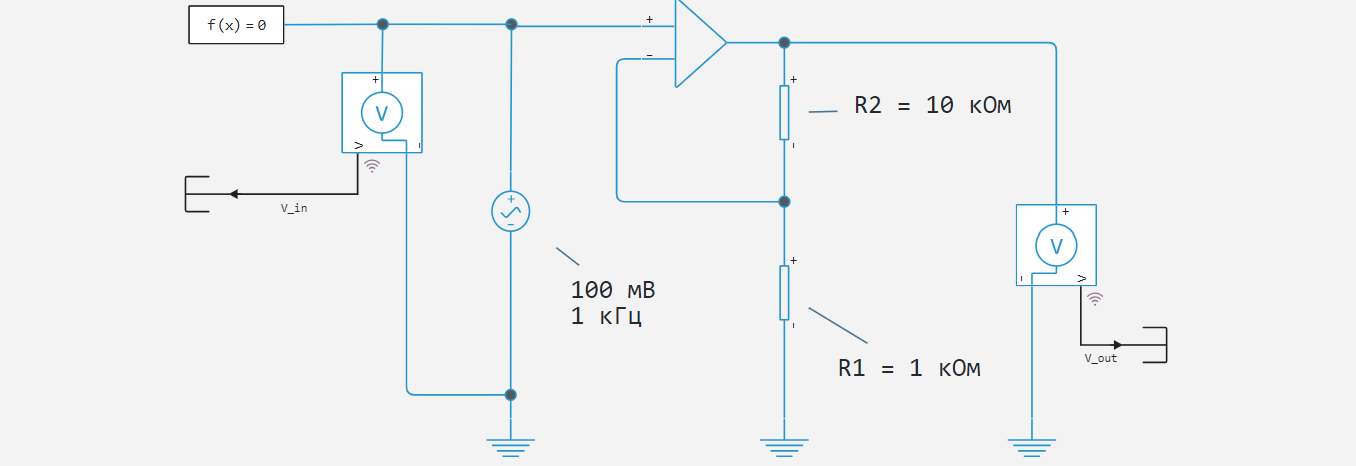
非反相运算放大器

导言

该示例显示了非反相运算放大器的操作。

模型描述

电阻在非反相运算放大器的电路中确定 . 因此,增益因子定义为 .

AmpNonInv_mod_2.png

由于运算放大器单元实现了理想的器件(即具有无限增益),因此一定的增益不依赖于输出负载。 因此,在输入电压的幅值 在输出端,它增加到一个幅度 .

模拟结果

作为仿真的结果,输入和输出电压图将具有下图所示的形式。

AmpNonInv_graph.png

从图中可以看出,运算放大器输出端的瞬时电压被放大了11倍。

结论

在所考虑的例子中,理想的非反相运算放大器的电路被组装和建模。