Измерение времени переходного процесса в RL цепи
В этом примере собрана схема RL-цепи, в которой происходит переходный процесс, и подсистема для измерения времени переходного процесса.
Описание модели
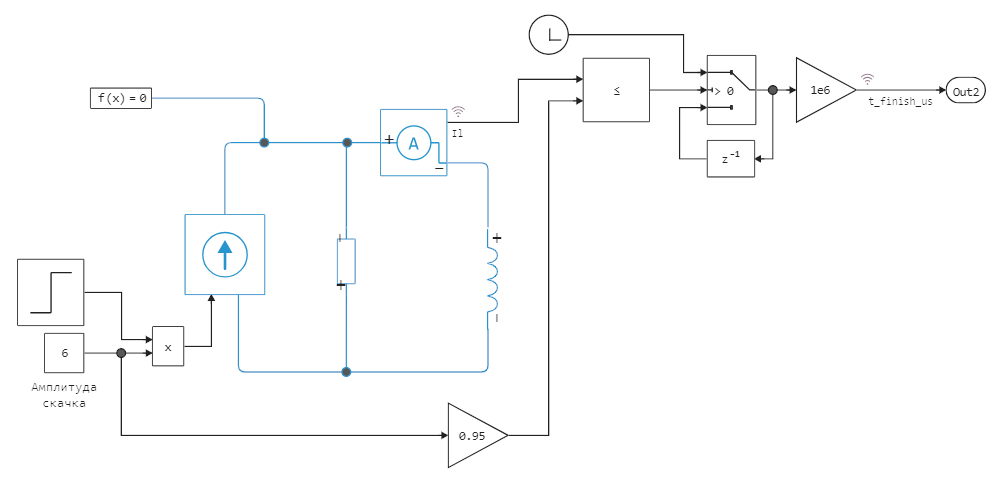
В момент времени источник тока Controlled Current Source (блок ControlledCurrent) получает ступенчатый сигнал амплитуды 6В. В цепи начинается переходный процесс, который мы увидим благодаря сенсору Current Sensor.
Нас интересует момент, когда значение на выходе из сенсора, войдет в 5% трубку точности, то есть когда сигнал превысит значение в 0.95 * 6 В.
.png)
Набор блоков Switch и Delay отвечают за то, чтобы сохранять информацию о времени симуляции (блок Clock), прошедшем от начала запуска модели и до тех пор, пока сигнал не превысит пороговое значение. После этого выходное значение блоков Switch и Delay замораживается. Мы можем его увидеть на панели графиков в табличном виде, где оно выводится в микросекундах.
.png)
До достижения трубки точности 95%, переходный процесс должен занимать примерно секунд, где (постоянная времени). В нашем случае постоянная времени равна 1 мкс, и это согласуется с наблюдаемой длительностью переходного процесса: 2.995 мкс.
Запуск модели
Запустим модель RL_circuit_transition_time при помощи средств программного управления:
# Загрузим модель, если она еще не открыта на холсте
if "RL_circuit_transition_time" ∉ getfield.(engee.get_all_models(), :name)
engee.load( "$(@__DIR__)/RL_circuit_transition_time.engee");
end
model_data = engee.run( "RL_circuit_transition_time" );
Построим график:
iL = model_data["Il"].value
plot( model_data["Il"].time, iL, xlabel="Время, с", label="Ток через катушку, A", lw=2 )
vline!( [model_data["t_finish_us"].value[end] ./ 1e6], label="Длительность переходного процесса" )
hline!( [0.95 .* (iL[end] - iL[1])], linecolor=3, ls=:dash, label="Порог ± 5%" )
hline!( [1.05 .* (iL[end] - iL[1])], linecolor=3, ls=:dash, label=:none )
Мы видим, что модель очень точно измерила длительность переходного процесса, ведь именно в тот момент, отмеченный красной линией на графике, измеряемый процесс попадает в трубку точности ± 5%.
Заключение
Мы без труда построили модель для изучения переходного процесса в RL-цепи и при помощи нескольких дополнительных блоков получили длительность переходного процесса как еще один сигнал внутри модели, который можно визуализировать или использовать, например, для ее оптимизации.