Операционный усилитель в режиме неинвертирующего усилителя
На примере этой модели можно изучить работу операционного усилителя в не инвертирующем режиме.
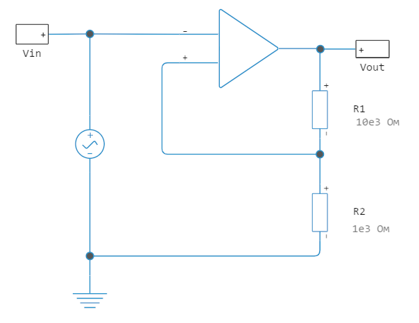
Описание модели
Эта модель состоит из блока OperationalAmplifier
и двух сопротивлений R1
и R2
, значения которых установлены равными 1 кОм и 10 кОм. Входной сигнал с амплитудой 0.1 усиливается до 1.1 В. Поскольку мы имеем дело с идеальной моделью операционного усилителя, получаемое значение усиления не зависит от подсоединенной к нему нагрузки.

Запустим модель и построим график:
In [ ]:
model_name = "op-amp-circuit-noninverting-amplifier";
model_name in [m.name for m in engee.get_all_models()] ? engee.open(model_name) : engee.load( "$(@__DIR__)/$(model_name).engee");
res = engee.run( model_name );
In [ ]:
Vin = collect( res["Vin"] );
Vout = collect( res["Vout"] );
In [ ]:
plot( Vin.time, Vin.value )
plot!( Vout.time, Vout.value )
Out[0]:
Как можно увидеть на сопроводительных графиках, коэффициент усиления этой схемы равен 11.
Заключение
Не изменяя топологию сопроводительных моделей в Engee можно собирать достаточно сложные схемы на операционных усилителях и не только.