Моделирование двухмассовой колебательной системы
Этот пример показывает две модели систем: одну с использованием библиотеки базовых блоков и другую, с использованием физических моделей.
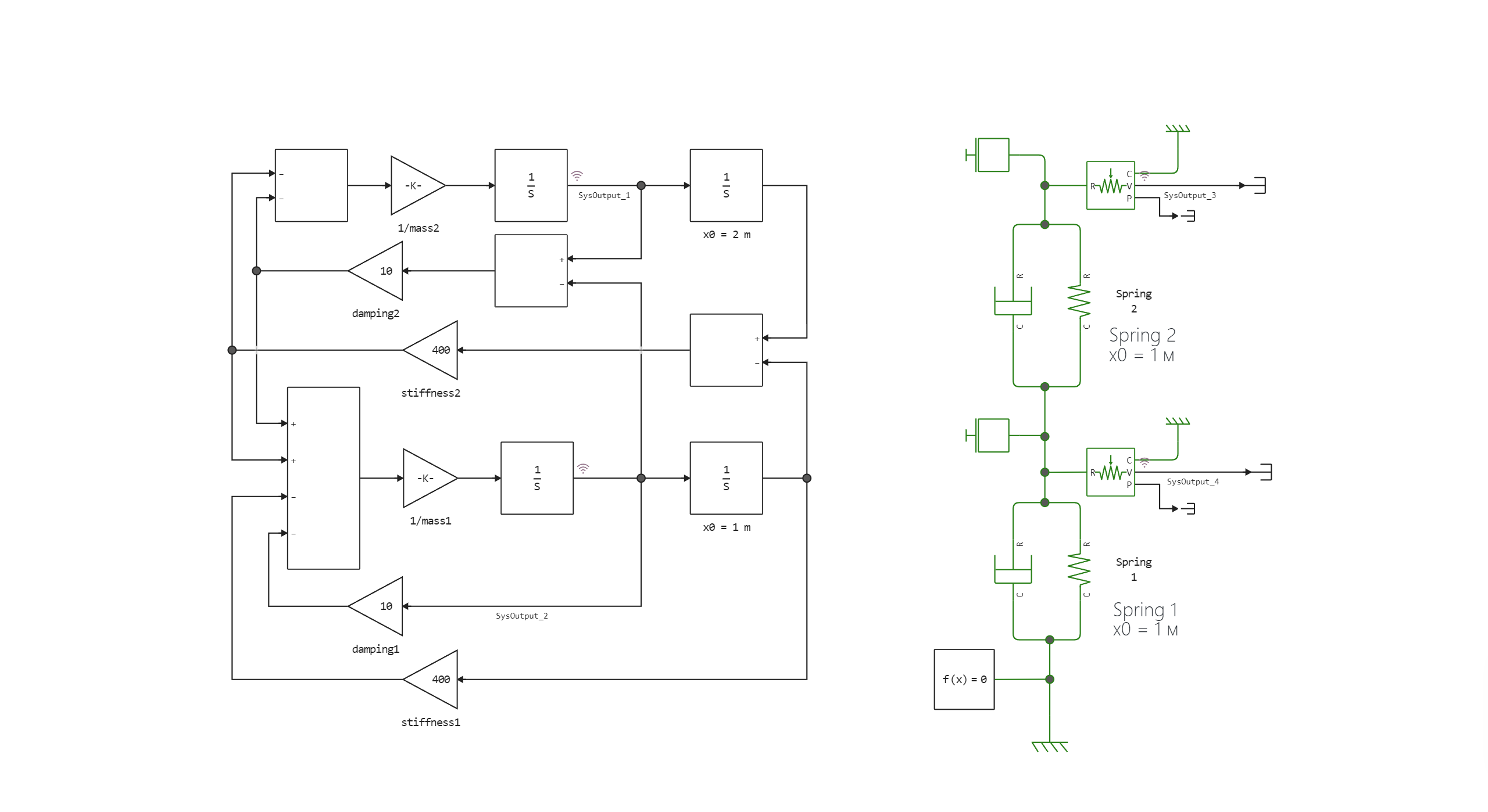
Блоки базовой библиотеки используют направленные соединения, которые определяют, как данные передаются от одного блока к другому. Физические блоки используют ненаправленные соединения, определяющие двунаправленный поток массы или энергии между компонентами. Такие блоки позволяют добавлять дополнительные наборы упруго-демпфирующих элементов в систему просто при помощи копирования и вставки. Для направленных моделей требуется пересмотр уравнений и их повторная реализация.
Начальное отклонение для каждой пружины составляет 1 метр. Это отражено в аннотациях блоков для Spring1 и Spring2. Названия блоков интегрирования показывают начальные положения масс относительно одной фиксированной точки в пространстве.
Схема модели:
.png)
Результаты симуляции:
Скорости масс, полученные с помощью модели, состоящей из базовых блоков:
(1).png)
Скорости масс, полученные с помощью модели, состоящей из блоков библиотеки физического моделирования:
(1).png)