Операционный усилитель в инвертирующем режиме
На примере этой модели можно изучить работу операционного усилителя в инвертирующем режиме.
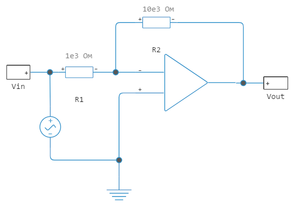
Описание модели
Модель состоит из блока OperationalAmplifier и двух сопротивлений R1 и R2, значения которых установлены равными 1 кОм и 10 кОм. Его коэффициент усиления равен -R2/R1, поэтому входное напряжение с амплитудой 0.1 В усиливается на выходе до 1 В. Поскольку мы используем идеальную модель, нагрузка на выходе усилителя не влияет на его работу.

Запустим модель и построим график:
In [ ]:
model_name = "op-amp-circuit-inverting-amplifier";
model_name in [m.name for m in engee.get_all_models()] ? engee.open(model_name) : engee.load( "$(@__DIR__)/$(model_name).engee");
res = engee.run( model_name );
In [ ]:
Vin = collect( res["Vin"] );
Vout = collect( res["Vout"] );
In [ ]:
plot( Vin.time, Vin.value )
plot!( Vout.time, Vout.value )
Out[0]:
Заключение
Мы реализовали достаточно удобное окружение для исследование работы схем на основе операционных усилителей.
