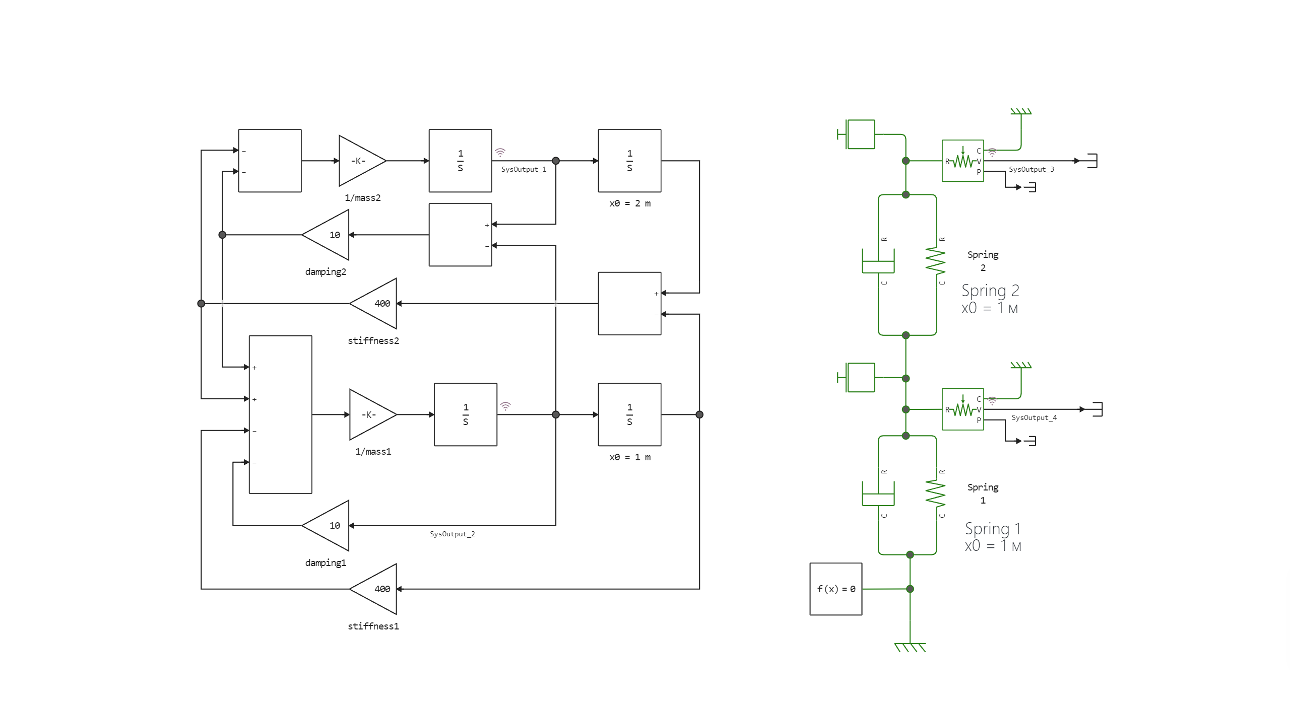
Modelling of a two-mass oscillating system
This example shows two system models, one using the basic block library and one using physical models.
The base library blocks use directional connections that define how data is transferred from one block to another. The physical blocks use non-directional connections that define the bidirectional flow of mass or energy between components. Such blocks allow additional sets of elastic-damping elements to be added to the system simply by copying and pasting. Directional models require the equations to be revised and re-implemented.
The initial deflection for each spring is 1 metre. This is reflected in the block annotations for Spring1 and Spring2. The names of the integration blocks show the initial positions of the masses relative to one fixed point in space.
Schematic of the model:

Simulation results:
Mass velocities obtained from a model consisting of basic blocks:
Mass velocities obtained using a model consisting of physical modelling library blocks: