Non-inverting operational amplifier
Introduction
This example presents the operation of a non-inverting operational amplifier.
Model description
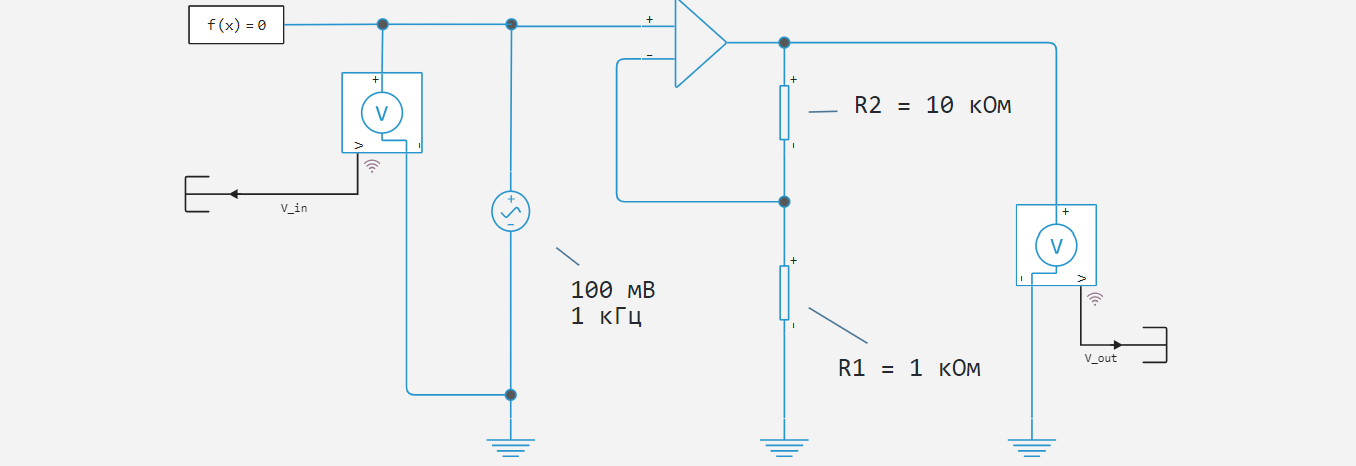
The resistances in the non-inverting operational amplifier circuit are defined as . Hence, the gain is defined as .

Since the operational amplifier block realises an ideal device (i.e. with infinite gain), the defined gain is independent of the output load. Thus, when the input voltage amplitude is , the output voltage increases to the amplitude .
Modelling results
As a result of the simulation, the plots of input and output voltages will be as shown in the figure below.

As can be seen from the graphs, the instantaneous value of the voltage at the output of the operational amplifier is amplified by a factor of 11.
Conclusion
In the example discussed, the circuit of an ideal non-inverting operational amplifier has been assembled and modelled.